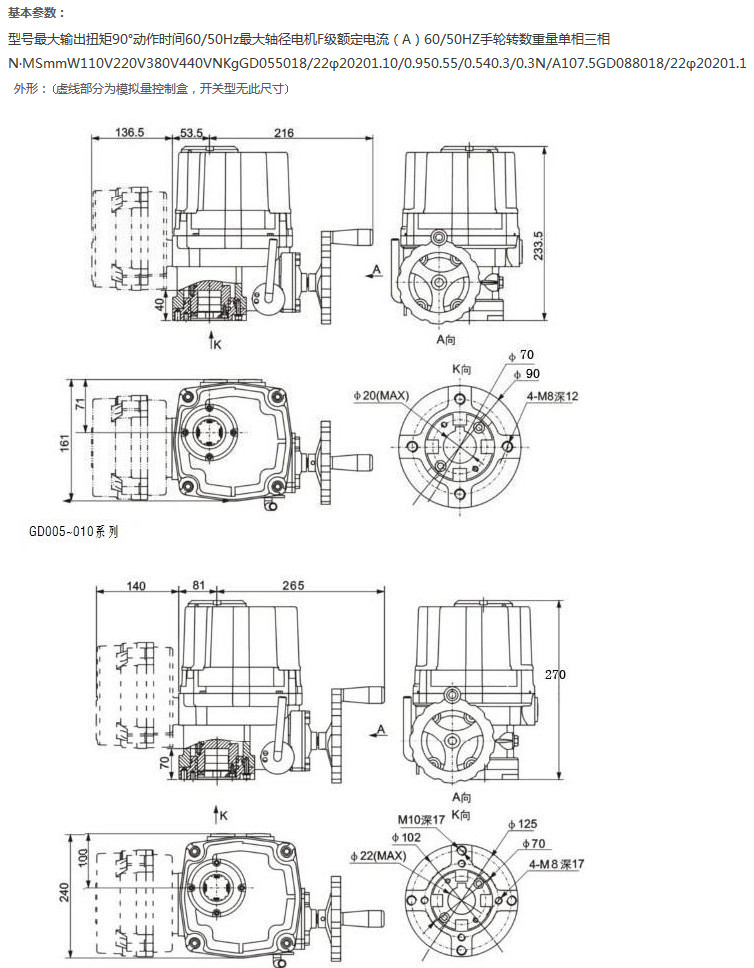
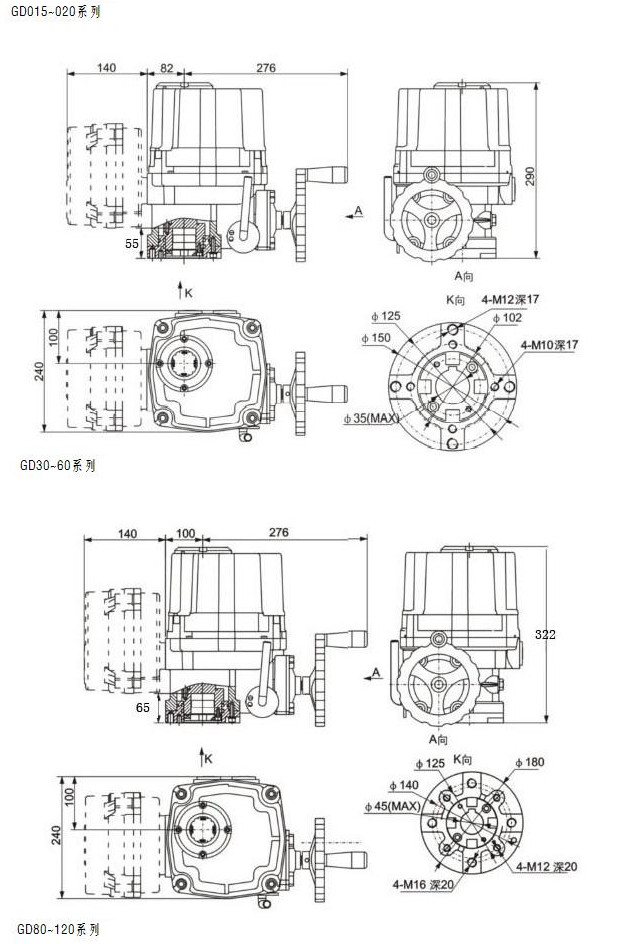
GD005-010,GD015-020,GD30-60,GD80-120,电动执行器
GD系列电动执行器
■
GD系列电动执行器是新型设计的,精小型专门用于球 阀、蝶阀的电动执行器
小、轻、精大扭矩是本电动执行器的特点,并有多种选项,能满足用户的各种需求。
技术含量高,品质优越,性能可靠稳定。
特点
优质铝合金外壳
内外表面阳极氧化处理,外表面进行了环氧树脂、粉末涂层处理,防腐性能优越
输出扭矩:60NM(6kg.m)
电机可反转,扭矩大,电流低
防护性能:IP67
标准结构
带手动操作(扳手)
安装符合国际标准ISO5211(F03/F05/F07)
标准产品为4个限位开关,2个标准开关,2个附加限位开关(干触点)
防脱螺栓
自带加热器,限位开关设计简单可靠
标准颜色:黄色或蓝色
基本参数
外 壳
防水级别 IP67,NEMA 4 and 6
电机电源
标准:220V AC 单相 可选:110V AC 单相,380/440V AC 3相, 50/60Hz, ±10% 24V D GD C /110V DC /220V DC
电 机
鼠笼式异步电机
限位开关
开/关,各1个 SPDT,250V AC 10A
辅助限位开关
扭矩开关
GD05/008/010除外
行 程
90°±10°
0°~270°可选
失速防护/操作温度
内置过热保护,开115℃ ±5℃ /关 97℃ ±5℃
指 示 器
连续的位置指示刻度
手动操作
机械离合机构,配手轮操作
自锁装置
蜗轮,蜗杆机构提供自锁
机械限位
2个外部调整螺栓
干 燥 器
7-10W (110/220V AC)
电气接口
2个 PF 3/4”
环境温度
普通型:-30℃~+70℃; 防爆型:-20℃~+40℃
润 滑
铝基润滑脂(EP 型)
材 料
钢,铝合金,铝青铜,聚碳酸脂
环境湿度
最大 90% RH
非凝结
抗震性能
X Y Z 10g,0.2~34 Hz,30分钟
外 涂 层
干粉,环氧聚酯,具有超强防腐功能
选配
编号
可选配置
备注
1
防爆执行器(ExdⅡ BT3/T4)
GD 系列
2
防水执行器(IP68,10M,250HR)
3
电位计(1K-10K)
4
比例控制单元(输入,输出信号4-20mA DC /1-5V /1-10V)
5
现场控制单元(就地控制 开/停/关选择开关,就地/远程切换)
6
行程120°,180°,270°
7
直流电机(24V DC)
8
附加扭矩开关(SPDT X 2 250V AC 10A)
9
电流位置传感器(输出4-20mA DC)
10
断电后,电动阀自动开或关控制柜
11
耐高温执行器(-10℃~+100℃)
12
耐低温执行器(-40℃~+70℃)
13
低速执行器