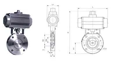
概述 GIQ气动高真空蝶阀,是气动单元组合仪表中的执行单元,它来自调节仪表的信号,改变介质的切断与流通,该产品操作力大,阀体设计新颖,流阻小,额定流量系数大,密封性能优良。因而广泛应用于石油、化工、轻纺、食品、泡塑等各工业部门的生产过程自动控制和远程控制交流中。 特点 GIQ气动高真空蝶阀,是气动单元组合仪表中的执行单元,它来自调节仪表的信号,改变介质的切断与流通,该产品操作力大,阀体设计新颖,流阻小,额定流量系数大,密封性能优良。 GIQ气动高真空蝶阀结构图 工作原理 GIQ气动高真空蝶阀是由执行机构(气动、电动)与转角型蝶阀体二部份组成,中间由支架相连而成。以GIQ型为例:执行机构是由双气路气缸为主体,接受二位四通电磁阀控制输出的(0.4~0.6MPa)气源信号压力为动力,通过控制元件改变气流方向,执行气缸驱动蝶阀作启闭运动。GIQ气动高真空蝶阀根据不同的材质,及不同的执行机构分类,适用于-25~200℃的介质,阀体由碳素钢(镀镍)、不锈钢及合金钢等。