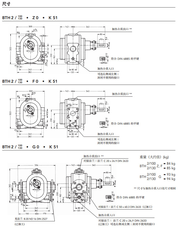
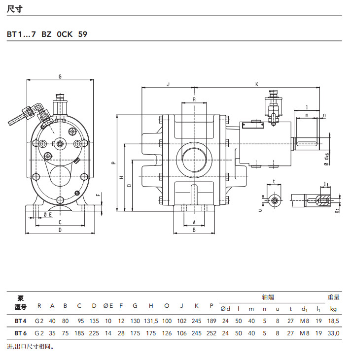
BTH1/55.Z0.K51,BTH1/105.Z0.K51,BTH2/100.Z0.K51,BTH2/130.Z0.K51,BTH3/150.Z0.K51,kracht齿轮输送泵
BTH1/55.F0.K51,BTH1/105.F0.K51,BTH1/55.G0.K51,BTH1/105.G0.K51,
BTH2/100.F0.K51,BTH2/130.F0.K51,BTH2/100.G0.K51,BTH2/130.G0.K51,
BTH3/150.F0.K51,BTH3/150.G0.K51,











