返回
磁性传感器
首页
>
了解产品
>
开关电气 传感器
>
其他传感器
>
磁性传感器
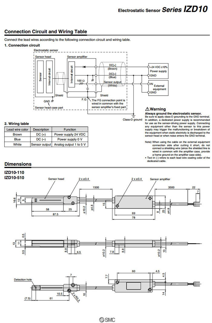
IZD10-110,IZD10-510,SMC静电传感器
2015-12-10 15:24
761
信息概况
价格:
未填
型号:
IZD10-110,IZD10-510
发货:
3天内
发送询价
IZD10-110,IZD10-510,SMC静电传感器
联系方式
姓名:销售员1439(女士)
电话:
13861877712
传真:0510-82328771
地区:江苏-无锡市
地址:
无锡市会北路28-135
QQ:
2355802921
0
人关注
0
人点赞
举报
评分:
分
扫一扫访问当前网页
复制链接
二维码
短信
邮件
关闭
同类了解产品
MEA-DO900,溶解氧传感器
MIK-SJI-5A-V1-B1-C1,MIK-SJI-5A-V2-B1-C1,MIK-SJI-5A-V3-B4-C4,MIK-SJI,三相交流传感器
KT-06N,KT-06P,KT-06N-QD,KT-06P-QD,KT-06R,KT-062R,KT-06D,KT-06R-QD,KT-062R-QD,KT-06D-QD,KIDA磁性传感器
KT-07N,KT-07P,KT-07R,KT-072R,KT-07D,KT-07N-QD,KT-07P-QD,KT-07R-QD,KT-072R-QD,KT-07D-QD,KIDA磁性传感器
KT-09N,KT-09P,KT-09N-QD,KT-09P-QD,KT-09R,KT-09R-QD,KIDA磁性传感器
KT-15N,KT-15P,KT-15R,KT-15R-QD,KT-15N-QD,KT-15P-QD,KIDA磁性传感器
取消
发送询价
分享好友
了解产品首页
频道列表
我要评论