返回
手动阀
首页
>
了解产品
>
制冷配件及阀
>
制冷阀类
>
手动阀
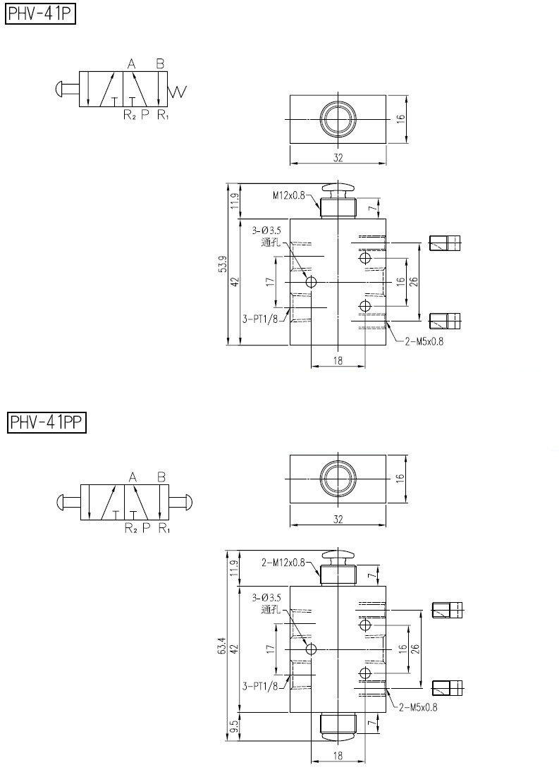
PHV-41V,PHV-41P,PHV-41PP,panix手动阀
2015-11-07 21:10
743
信息概况
价格:
未填
型号:
PHV-41V,PHV-41P,PHV-41PP,panix手动阀
发货:
3天内
发送询价
PHV-41V,PHV-41P,PHV-41PP,panix手动阀
联系方式
姓名:销售员 1586(先生)
电话:
13861877712
传真:0510-82328771
地区:江苏-无锡市
地址:
无锡市会北路28-135
QQ:
2355802919
0
人关注
0
人点赞
举报
评分:
分
扫一扫访问当前网页
复制链接
二维码
短信
邮件
关闭
同类了解产品
FVA6-01-NCU,FVA6-01-2-NCU,FVA6-02-NCU,FVA6-02-2-NCU,带快速接头的手动阀--NCU式样
FVA6-01,FVA6-01-2,FVA6-02,FVA6-02-2,FVA6-03,FVA6-03-2,FVA8-01,带快速接头的手动阀
SDB-1,手动阀
SDB-2,手动阀
HV-03QT,油压手动切换阀
HV-03,油压手动切换阀
取消
发送询价
分享好友
了解产品首页
频道列表
我要评论