返回
回转夹紧缸
首页
>
了解产品
>
执行元件 液压缸
>
其他气缸
>
回转夹紧缸
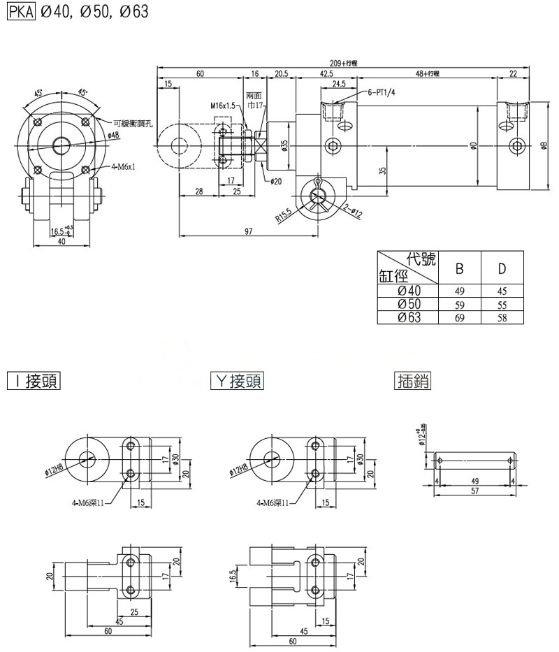
PKA-40*50,PKA-50*75,PKA-63*100,PKA-40*125,panix夹持气缸
2015-10-23 21:01
808
信息概况
价格:
未填
型号:
PKA-40*50,PKA-50*75,PKA-63*100,PKA-40*125,panix夹持气缸
发货:
3天内
发送询价
PKA-40*50,PKA-50*75,PKA-63*100,PKA-40*125,panix夹持气缸
PKA-40*75,PKA-40*100,PKA-40*150,PKA-50*50,PKA-50*100,PKA-50*125,
PKA-50*150,PKA-63*50,panix,PKA-63*75,PKA-63*125,PKA-63*150,
PKA-40*50-S-2-A,PKA-40*75-S-2-A,PKA-40*100-S-2-A,PKA-40*125-S-2-A,PKA-40*150-S-2-A,
PKA-50*50-S-2-A,PKA-50*75-S-2-A,PKA-50*100-S-2-A,PKA-50*125-S-2-A,PKA-50*150-S-2-A,
PKA-63*50-S-2-A,PKA-63*75-S-2-A,PKA-63*100-S-2-A,PKA-63*125-S-2-A,PKA-63*150-S-2-A,
联系方式
姓名:销售员 1586(先生)
电话:
13861877712
传真:0510-82328771
地区:江苏-无锡市
地址:
无锡市会北路28-135
QQ:
2355802919
0
人关注
0
人点赞
举报
评分:
分
扫一扫访问当前网页
复制链接
二维码
短信
邮件
关闭
同类了解产品
回转气缸 MTH40-90,MTH40-180,MTH63-90,MTH63-180,MTH80-90,MTH80-180
回转气缸 MLH16-90,MLH16-180,MLH20-90,MLH20-180,MLH25-90,MLH25-180
PCKA-32-50,PCKA-32-75,PCKA-32-100,PCKGB-63-75,PCKGB-63-100,夹紧气缸PCK系列
AIRTAC亚德客 强力焊接夹紧气缸-附气动传感器型JCK40KA,JCK50KA,JCK63KA
AIRTAC亚德客焊接夹紧气缸-手动型JCK40*15,JCK40*15AM1R,JCK40*15AM1C,JCK40*15AM1L,JCKV40*105,JCKV40*105AM1R,JCKV40*105AM1C,JCKV40*105AM1L,JCK50*15,JCK50*15AM1R,JCK50*15AM1C,JCK50*15AM1L,JCKV50*15,JCKV50*15AM1R,JCKV50*15AM1C,JCKV50*15AM1L
AIRTAC亚德客 强力焊接夹紧气缸JCK40*15,JCK40*15AM1R,JCKV40*15,JCKV40*15AM1R,JCKV40*15AM1C,JCKV40*15AM1L JCK40*15,JCK40*15AM3R,JCK40*15AM3C,JCK40*15AM3L,JCKV40*15,JCKV40*15AM3R,JCKV40*15AM3C,JCKV40*15AM3L JCK40*30,JCK40*30AM1R,JCK40*30AM1C,JCK40*30AM1L
取消
发送询价
分享好友
了解产品首页
频道列表
我要评论