HYBF-P6/0.3,HYBF-P8/0.3,HYBF-P10/0.3,HYBF-P10/0.3,HYBF-P15/0.3,HYBF-P20/0.3,背压阀
HYBF-P25/0.3,HYBF-P32/0.3,HYBF-P40/0.3,HYBF-P50/0.3,HYBF-P65/0.3,HYBF-P80/0.3,HYBF-P100/0.3,
背压阀一般有三种用途:
1: 背压阀用于防止液体在重力作用下自流(或虹吸),这时候一般选用大于液体自身压力即可,如防止液位为2米药箱中的液体自流,可选用压力大于0.02MPa的背压阀,一般选用0.1MPa即可。
2: 背压阀用于稳定泵的流量,如某些泵的流量随压力变化较大,可在泵的出口处设置背压阀,使泵的输出流量稳定,这时一般选择背压阀的压力为泵的实际使用压力或略小于泵的使用压力。
3: 背压阀安装在分支管路上,做溢流阀使用,保持主管路压力稳定。
出口管道上的单向阀用于防止液体回流,背压阀用于保持泵出口有一恒定压力。
购买PVC背压阀时,请提供以下数据:
1、 PVC背压阀的口径
2、 需要设定的压力
3、 连接方式(我公司生产的常规连接方式有:内螺纹、法兰、活接式,如需要其他材质的请特殊说明)
最好能同时告知输送的介质、温度和流量。
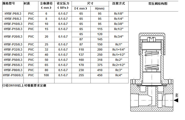
PVC背压阀规格及安装尺寸
