返回
水泵
首页
>
了解产品
>
油泵 齿轮泵 组合泵
>
排水与污水处理泵类
>
水泵
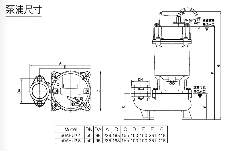
50AFU2.4,50AFU2.8,HCP PUMP污物废水泵浦
2015-07-29 08:28
972
信息概况
价格:
未填
型号:
50AFU2.4,50AFU2.8,
发货:
3天内
发送询价
50AFU2.4,50AFU2.8,HCP PUMP污物废水泵浦
联系方式
姓名:销售员 1558(先生)
电话:
13861877712
传真:0510-82328771
地区:江苏-无锡市
地址:
无锡市会北路28-135
QQ:
2355802919
0
人关注
0
人点赞
举报
评分:
分
扫一扫访问当前网页
复制链接
二维码
短信
邮件
关闭
同类了解产品
KTS25-38,KTS25-50,KTS25-60,高压水泵
SP-8100,SP-8130,SP-8150,SP-8180,SP-8200,SP-8220,SP-8270,SP過濾型冷卻泵浦FLAIR
MC-8100,MC-8130,MC-8150,MC-8180,MC-8180ST,MC-8220,MC-6150,浸水式、自吸式冷却泵浦FLAIR
JW-S400,JW-S800,自吸式泵浦JOR WEI
JW-1,JW-2,JW-3,JW-4,JW-8,浸水式泵浦JOR WEI
YC-8180,YCP-801,YC-4210,YCP-401,YC-2210,YCP-201,浸水式泵浦、吸水式泵浦YEONG CHYUAN
取消
发送询价
分享好友
了解产品首页
频道列表
我要评论