返回
化工泵
首页
>
了解产品
>
油泵 齿轮泵 组合泵
>
其他泵类
>
化工泵
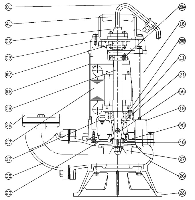
F-32U,HCP PUMP泛用污物泵浦
2015-07-24 12:05
868
信息概况
价格:
未填
型号:
F-32U,
发货:
3天内
发送询价
F-32U,HCP PUMP泛用污物泵浦
联系方式
姓名:销售员 1558(先生)
电话:
13861877712
传真:0510-82328771
地区:江苏-无锡市
地址:
无锡市会北路28-135
QQ:
2355802919
0
人关注
0
人点赞
举报
评分:
分
扫一扫访问当前网页
复制链接
二维码
短信
邮件
关闭
同类了解产品
P-1/15,P-1/6,P-1/4,P-1/2,P-1/2HP,P-3/4,P-3/4HP,P-1,P-1 1/2,P-2,P-3,PENGUIN无密封立式泵
PX-3,PX-5,PX-7 1/2-HF,PX-10-HF,PX-15-HF,PENGUIN扩展立式泵
GH2-25-L-L,GH2-30-L-R,GH2-35-L-L,GH2-40-L-R,GH2,化工泵YEESEN
GH1-02-L-L,GH1-04-L-R,GH1-10-L-R,GH1-15-L-L,GH1-19-L-L,GH1,化工泵YEESEN
111A100F+⅓HP,黄铜NFC高压滑片泵
111A100F+½HP,黄铜NFC高压滑片泵
取消
发送询价
分享好友
了解产品首页
频道列表
我要评论