返回
排污泵
首页
>
了解产品
>
油泵 齿轮泵 组合泵
>
排水与污水处理泵类
>
排污泵
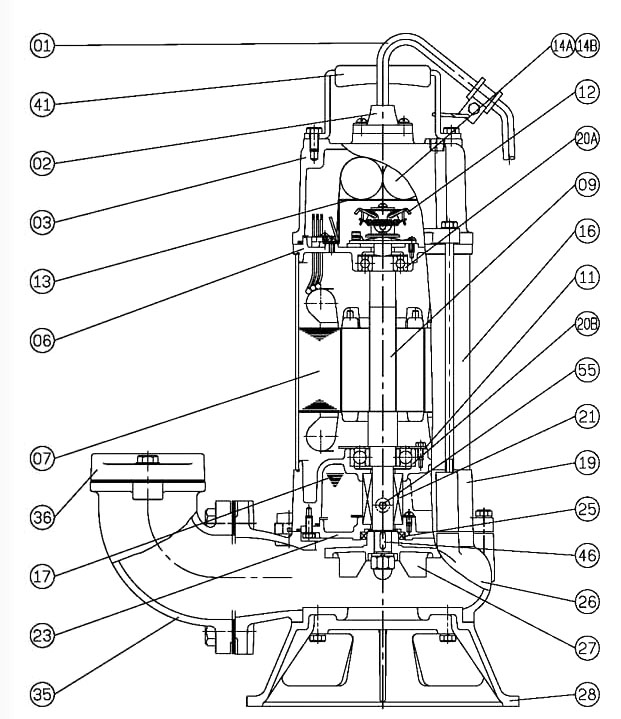
F-32TU,HCP PUMP泛用污物泵浦
2015-07-24 12:05
795
信息概况
价格:
未填
型号:
F-32TU,
发货:
3天内
发送询价
F-32TU,HCP PUMP泛用污物泵浦
联系方式
姓名:销售员 1558(先生)
电话:
13861877712
传真:0510-82328771
地区:江苏-无锡市
地址:
无锡市会北路28-135
QQ:
2355802919
0
人关注
0
人点赞
举报
评分:
分
扫一扫访问当前网页
复制链接
二维码
短信
邮件
关闭
同类了解产品
CV-5-50,CV-5-50E,潜污泵
CV-11-50,CV-11-50E,CV-11-80,潜污泵
CV-15-80,潜污泵
CV-22-80,潜污泵
CV-37-80,潜污泵
CV-55-100,潜污泵
取消
发送询价
分享好友
了解产品首页
频道列表
我要评论