J-Z6/40,J-Z6/32,J-Z10/25,J-Z10/20,J-Z15/20,J-Z15/15,J-Z25/10,J-Z25/8.0,J-Z40/6.3,柱塞式计量泵
流量范围: 0-470L/H
压力范围: 0-500 Bar
电机: 550W, 750W, 220V / 380V / 400V, 50/60Hz
驱动系统:两相、三相电机或防爆电机
流量控制:手动控制, 自动控制(接收4-20mA 信号)
防护等级: IP55
J-Z柱塞式计量泵材料
泵头: SUS304, SUS316,SUS304+PTFE,SUS316+PTFE
隔膜: PTFE
单向阀: SUS304, SUS316, PVC, PTEF
阀球: 氧化锆, SUS304, SUS316, 陶瓷, 二氧化硅
J-Z柱塞式计量泵工作条件
环境温度: -30℃ --- 90℃
特点
柱塞泵使用的排出压力范围比较广泛,且宜制成高压泵
结构简单,维修方便,价格具有竞争优势
柱塞直径很小,通常在3-200mm.
使用绝缘,冷却或加热泵缸控制介质温度。
应用
广泛应用于化工、石油化工、电力、医药、采矿、造船、轻工、农业、国防等领域
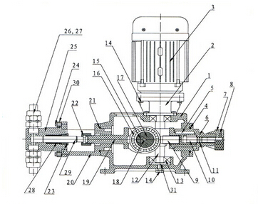
J-Z柱塞式计量泵结构图
|
序号
|
零件名称
|
序号
|
零件名称
|
序号
|
零件名称
|
序号
|
零件名称
|
|
1
|
箱体
|
9
|
调节顶杆
|
17
|
偏心轮
|
25
|
泵头
|
|
2
|
电机连接头
|
10
|
调节杆
|
18
|
健
|
26
|
单向阀
|
|
3
|
电机
|
11
|
密封件
|
19
|
顶杆
|
27
|
接管阀
|
|
4
|
密封件
|
12
|
蜗杆
|
20
|
泵头联节头
|
28
|
填料
|
|
5
|
健
|
13
|
轴承
|
21
|
密封件
|
29
|
柱塞
|
|
6
|
调节器
|
14
|
调节螺丝
|
22
|
柱塞压紧帽
|
30
|
泵头压板
|
|
7
|
手轮
|
15
|
主轴
|
23
|
填料压紧帽
|
31
|
轴承垫板
|
|
8
|
紧定螺丝钉
|
16
|
滚轮
|
24
|
螺丝
|
|
|
J-Z型柱塞式计量泵性能参数
|
型号
|
流量
|
压力
|
柱塞直径
|
行程
|
冲次
|
电机功率
|
进出口径
|
重量
|
|
L/H
|
MPA
|
mm
|
mm
|
min-1
|
kw
|
mm
|
kg
|
|
J-Z6/40
|
6
|
40
|
8
|
25
|
96
|
0.75
|
6
|
45
|
|
J-Z6/32
|
6
|
32
|
0.55
|
|
J-Z10/25
|
10
|
25
|
10
|
0.75
|
|
J-Z10/20
|
10
|
20
|
0.55
|
|
J-Z15/20
|
15
|
20
|
12
|
0.75
|
|
J-Z15/15
|
15
|
15
|
0.55
|
|
J-Z25/10
|
25
|
10
|
16
|
0.75
|
|
J-Z25/8.0
|
25
|
8.0
|
0.55
|
|
J-Z40/6.3
|
40
|
6.3
|
20
|
0.75
|
|
J-Z40/5.4
|
40
|
5.4
|
0.55
|
|
J-Z65/4.5
|
65
|
4.5
|
25
|
0.75
|
10
|
45
|
|
J-Z65/3.5
|
65
|
3.5
|
0.55
|
|
J-Z80/3.6
|
80
|
3.6
|
28
|
0.75
|
|
J-Z80/2.8
|
80
|
2.8
|
0.55
|
|
J-Z110/2.8
|
110
|
2.8
|
32
|
0.75
|
|
J-Z110/2.0
|
110
|
2.0
|
0.55
|
|
J-Z130/2.3
|
130
|
2.3
|
35
|
0.75
|
|
J-Z130/1.7
|
130
|
1.7
|
0.55
|
|
J-Z160/2.0
|
160
|
2.0
|
38
|
0.75
|
15
|
50
|
|
J-Z160/1.5
|
160
|
1.5
|
0.55
|
|
J-Z190/1.6
|
190
|
1.6
|
42
|
0.75
|
|
J-Z190/1.2
|
190
|
1.2
|
0.55
|
|
J-Z270/1.1
|
270
|
1.1
|
50
|
0.75
|
|
J-Z270/0.8
|
270
|
0.8
|
0.55
|
|
J-Z330/0.9
|
330
|
0.9
|
55
|
0.75
|
|
J-Z330/0.6
|
330
|
0.6
|
0.55
|
|
J-Z400/0.8
|
400
|
0.8
|
60
|
0.75
|
|
J-Z400/0.5
|
400
|
0.5
|
0.55
|
|
J-Z470/0.6
|
470
|
0.6
|
65
|
0.75
|
|
J-Z470/0.4
|
470
|
0.4
|
0.55
|
J-Z40/5.4,J-Z65/4.5,J-Z65/3.5,J-Z80/3.6,J-Z80/2.8,J-Z110/2.8,J-Z110/2.0,J-Z130/2.3,
J-Z130/1.7,J-Z160/2.0,J-Z160/1.5,J-Z190/1.6,J-Z190/1.2,J-Z270/1.1,J-Z270/0.8,
J-Z330/0.9,J-Z330/0.6,J-Z400/0.8,J-Z400/0.5,J-Z470/0.6,J-Z470/0.4,