J-X2.5/50,J-X2.5/38,J-X4.2/32,J-X4.2/21,J-X8/20,J-X8/13,J-X12/14,J-X12/9.0,柱塞式计量泵
J-X系列柱塞式计量泵
计量范围:0-150L/H
压力承受范围:0-50MPa
驱动方式:电机驱动
控制方式:手动、自动控制 (可接收4-20mA信号来调节流量)
配置方式:泵头保温、冷却、电机可配防爆
1、与介质直接接触部位全采用不锈钢及四氟材质。过流适应一般颗粒,无毒无味。
2、精铸壳体,耐用,精密浇铸壳体,铸铜蜗轮及耐磨球轴承,润滑油润滑所有驱动零件。
3、易损部件全部经过特殊化处理,质量保证。
4、内部配置性能卓越的调节器总成,延长泵的使用寿命,并降低了噪音。
5、定量输出,在泵运行或停止时也可任意调节流量,精密度高可达正负百分之一。
6、吐出压力最高一款系列可达500KG。
7、适用于输送温度为 -30~120℃,粘度为 0.3~800mm2/s 的介质。
JX柱塞式计量泵材质
| 计量泵头:SUS304、SUS316 |
环境温度: -30℃ ---90℃ |
| 计量阀: SUS304、SUS316 |
电机: 二相、三相标准电机或防爆电机 |
| 阀球: 二氧化硅、SUS304、SUS316、陶瓷、氧化锆 |
功率:0.37KW 0.55KW |
| 密封: 聚四氟乙烯 |
防护等级:IP55 |
J-X不锈钢柱塞式计量泵技术参数
|
型号
|
流量 (l/h)
|
压力(Mpa)
|
柱塞直径(mm)
|
行程(mm)
|
冲次(min-1)
|
功率(kw)
|
净出口径(DN)
|
重量 (kg)
|
|
J-X2.5/50
|
2.5
|
50
|
6
|
20
|
48/96
|
0.55
|
6
|
25
|
|
J-X2.5/38
|
2.5
|
38
|
6
|
0.37
|
|
J-X4.2/32
|
4.2
|
32
|
8
|
0.55
|
|
J-X4.2/21
|
4.2
|
21
|
8
|
0.37
|
|
J-X8/20
|
8
|
20
|
10
|
0.55
|
|
J-X8/13
|
8
|
13
|
10
|
0.37
|
|
J-X12/14
|
12
|
14
|
12
|
0.55
|
|
J-X12/9.0
|
12
|
9.0
|
12
|
0.37
|
|
J-X20/7.6
|
20
|
7.6
|
16
|
0.55
|
|
J-X20/5.4
|
20
|
5.4
|
16
|
0.37
|
|
J-X32/5.0
|
32
|
5.0
|
20
|
0.55
|
|
J-X32/3.5
|
32
|
3.5
|
20
|
0.37
|
|
J-X50/3.2
|
50
|
3.2
|
25
|
0.55
|
|
J-X50/2.2
|
50
|
2.2
|
25
|
0.37
|
10
|
28
|
|
J-X65/2.5
|
65
|
2.5
|
28
|
0.55
|
|
J-X65/1.7
|
65
|
1.7
|
28
|
0.37
|
|
J-X80/2.0
|
80
|
2.0
|
32
|
0.55
|
|
J-X80/1.3
|
80
|
1.3
|
32
|
0.37
|
|
J-X100/1.6
|
100
|
1.6
|
35
|
0.55
|
15
|
30
|
|
J-X100/1.0
|
100
|
1.0
|
35
|
0.37
|
|
J-X125/1.3
|
125
|
1.3
|
38
|
0.55
|
|
J-X125/0.8
|
125
|
0.8
|
38
|
0.37
|
|
J-X150/1.0
|
150
|
1.0
|
42
|
0.55
|
|
J-X150/0.6
|
150
|
0.6
|
42
|
0.37
|
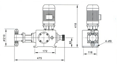
J-X柱塞式计量泵安装尺寸

J-X20/7.6,J-X20/5.4,J-X32/5.0,J-X32/3.5,J-X50/3.2,J-X50/2.2,J-X65/2.5,J-X65/1.7,
J-X80/2.0,J-X80/1.3,J-X100/1.6,J-X100/1.0,J-X125/1.3,J-X125/0.8,J-X150/1.0,J-X150/0.6,