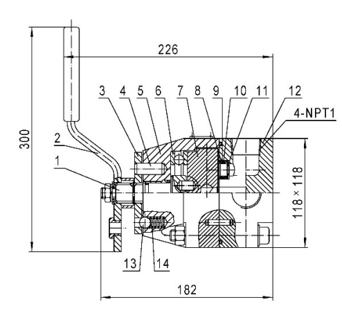
序号
名称
修理包
数量
规格
1
O型密封圈
△
3
25×2.4
2
内六角圆柱头螺钉
M12×120
M12×95
4
阀体
5
圆柱销
6×25
6
103×3.5
7
阀座
8
铜套
9
28×3.55
10
阀芯
11
17×2.65
12
轴用钢丝挡圈
13
1型六角螺母
M12
14
阀盖
15
定位板
16
手柄钢套
17
平垫圈
18
轴套
19
手柄体
20
12×30
21
手柄胶套
22
钢球
23
弹簧
24
标准型弹簧垫圈
25
10×14
26
转轴
27
挡圈
28
波形弹簧
29
轴承
8113