QGD16,QGD20,QGD25,QGD32,QGD40,QGD50,薄型气缸一、特点:
QGD系列薄型气缸为单作用和双作用两种。单作用气缸采用弹簧复位结构,该系列气缸轴向尺寸小,结构简单,内部采用国际先进的结构,使该系列产品更加完美,主要适用于短行程夹具的夹紧工作。
二、型号说明:

三 、技术参数:
|
气缸内径
(Ф)
|
16 |
20 |
25 |
32 |
40 |
50 |
16 |
20 |
25 |
32 |
40 |
50 |
63 |
80 |
100 |
| 气缸种类 |
单作用(弹簧复位) |
双作用 |
| 最大行程(mm) |
10 |
20 |
40 |
50 |
80 |
| 使用介质 |
洁净压缩空气 |
| 耐压力〔MPa) |
1.5 |
| 最高使用压力(MPa) |
0.99 |
| 环境介质温度(℃) |
-10--+70 |
| 杆端螺纹 |
内螺纹 |
| 缓冲 |
不可缓冲 |
| 给油 |
不需要(给油亦可) |
| 行程公差(mm) |
+1.0
0
|
| 接管螺丝 |
M5 |
M5 |
M1/8 |
M1/8 |
M1/8 |
M1/8 |
M5 |
M5 |
M1/8 |
M1/8 |
M1/8 |
M1/8 |
M1/8 |
M1/4 |
M1/4 |
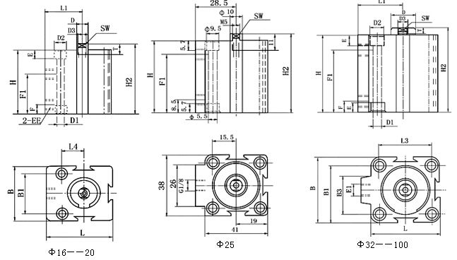
四、外形及安装尺寸:
|
缸径
(Ф)
|
B |
B1 |
B3 |
D(Ф) |
D1(Ф) |
D2(Ф) |
D3 |
E1 |
E |
F |
L |
L1 |
L3 |
L4 |
SW |
T |
| 16 |
28 |
18 |
- |
6 |
4.5 |
8 |
M4 |
M5 |
4.6 |
5 |
34 |
20 |
- |
12 |
6 |
6 |
| 20 |
32 |
20 |
- |
10 |
5.5 |
9.5 |
M5 |
M5 |
5.7 |
6 |
40 |
24 |
- |
15 |
8 |
8 |
| 25 |
- |
- |
- |
- |
- |
- |
- |
- |
- |
- |
- |
- |
- |
- |
- |
- |
| 32 |
45 |
32 |
26 |
16 |
5.5 |
9.5 |
M6 |
G1/8 |
5.7 |
8.5 |
48 |
29 |
36 |
- |
14 |
12 |
| 40 |
55 |
42 |
28 |
16 |
5.5 |
10 |
M6 |
G1/8 |
5.7 |
14.5 |
55 |
33.5 |
42 |
- |
14 |
12 |
| 50 |
65 |
50 |
28 |
20 |
6.6 |
11 |
M8 |
G1/8 |
6.8 |
15 |
65 |
38.5 |
50 |
- |
18 |
12 |
| 63 |
80 |
62 |
28 |
20 |
9 |
15 |
M8 |
G1/8 |
9 |
16.5 |
80 |
45.5 |
62 |
- |
18 |
14 |
| 80 |
100 |
82 |
30 |
25 |
9 |
15 |
M10 |
G1/4 |
10 |
19 |
100 |
58 |
82 |
- |
22 |
16 |
| 100 |
124 |
103 |
30 |
25 |
11 |
17.5 |
M12 |
G1/4 |
16.5 |
21.5 |
124 |
68 |
103 |
- |
22 |
20 |