1、产品概述 XHQ系列电动执行器用于控制0°~90°旋转的阀门及其他同类产品,如蝶阀、球阀、风门、挡板阀、旋塞阀、百叶阀等,可以广泛应用于石油、化工、水处理、船舶、造纸、电站、供热、楼宇自控、轻工等各行业中。它以220V(110V、380V)交流电源、24V直流电源为驱动电源,以4-20mA电流信号或0-10V DC电压信号为控制信号,可使阀门运动到所需位置,实现其自动化控制,最大输出扭矩达4000N•M。 2、性能特点和工作原理 2.1 性能特点 多种工作组态选择,灵活方便; 控制信号:电流信号(4~20mA或其它非标信号) 电压信号(0-10V或其它非标信号) 可进行正反作用选择,轻松实现分程控制模式。 输出信号:电流信号(4~20mA或其它非标信号) 电压信号(0-10V或其它非标信号) 通信接口:RS485 / HART / FF/ 流量特性:线性、快开、慢开、自定义 阀门作用方向:正、反作用选择 中英文液晶显示:菜单操作,人机交互更加人性化;使用更简单; 行程自整定:创新了机械设计,行程位置调节简便快捷,输入信号与行程关系自适应整定,满足不同行程阀门的需要; 自诊断功能:执行器在运行过程中自动记录工作参数。当执行器发生故障时,主控模块及时发现并报警,故障显示在液晶显示屏上,并通过开关信号传递给控制中心; 操作更加简便:创新了结构设计,主控电路模块外接,无需打开机壳就能方便操作。远程控制/就地控制按键切换。手动操作更加轻松,手轮安全可靠、省力、体积小;不通电时,扳动离合器手柄可进行手动操作;通电时,离合器自动复位; 控制电路更加可靠:电机驱动采用无触点控制,无火花,寿命长;宽电源适应范围,380V电源机型相位自适应,用户无需担心相位接错;电路模块全数字控制,无机械电位器的存在,用户不用担心机械振动和运输对产品精度的影响;采用先进的抗干扰技术,即使恶劣环境也从容应对,全新的“看门狗”技术远离“死机”的困扰; 执行器运动方向反转延时保护,动力传动部件寿命更长; 更低的工作噪音。 2.2 工作原理 XHQ系列智能角行程电动执行机构的工作原理如图1所示。采用单片微处理器和外围芯片组成智能化的控制单元,接收标准4-20mA直流信号(或0-10V电压信号),经信号调理及A/D转换送至微处理器,微处理器将处理后的数据送至LCD显示调节结果,运算处理后产生的控制信号驱动电机,变速后带动传动丝杆,产生机械行程,经位置检测馈送至微处理器进行数据处理,完成“信号与位置”对应关系的动作. 此外,系统还具有通信功能,可以接收上位机的指令,进行远程数字控制。在智能控制器面板上进行操作,通过菜单和按钮还可实现执行机构就地控制。本系统还具有故障报警和独立的模拟量4-20mA位置反馈输出。 3、主要技术参数 3.1 行程: 90°±10°(特殊型号0°~270°) 3.2 电源: 单相交流110V 50Hz/60Hz 单相交流220V 50Hz/60Hz 三相交流380V 50Hz/60Hz 直流24V 3.3 输入信号:电流信号(4~20mA或其它非标信号),输入阻抗250Ω 电压信号(0-10V或其它非标信号),输入阻抗>50KΩ 3.4 输出信号:电流信号(4~20mA或其它非标信号),负载阻抗最大750Ω 电压信号(0-10V或其它非标信号),负载阻抗>10KΩ 3.5 通信接口:RS485 / HART / FF/PROFIBUS(可选项) 3.6 分辨率: 最小1/1,000,电路A/D转换器12位 3.7 控制精度:±0.5%~±1.5%(可能随安装条件不同而不同,以额定行程的百分数表示) 3.8 回差调节:0.1%~5.0% 3.9 环境温度:-10℃~60℃ 3.10环境湿度:最大90%RH(不凝结) 3.11绝缘强度:1500V AC 1分钟(输入对输出,电源对地) 3.12绝缘电阻:a)输入端子与机壳间≥20MΩ。 b)输入端子与电源端子间≥50MΩ。 c)电源端子与机壳间≥50MΩ 3.13 保护等级:IP67 3.14 防爆等级:详见选型表 3.15 电缆接口:2-PF 3/4” 3.16震动或冲击:(X,Y,Z) 10g,0.2 ~34Hz,30分钟 3.17 其它参数:详见选型表
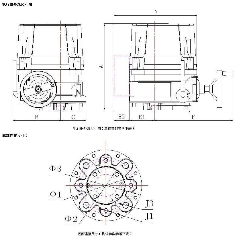
XHQ系列外形尺寸表: