返回
测压接头
首页
>
了解产品
>
液压辅助元件
>
液压管件与配件
>
测压接头
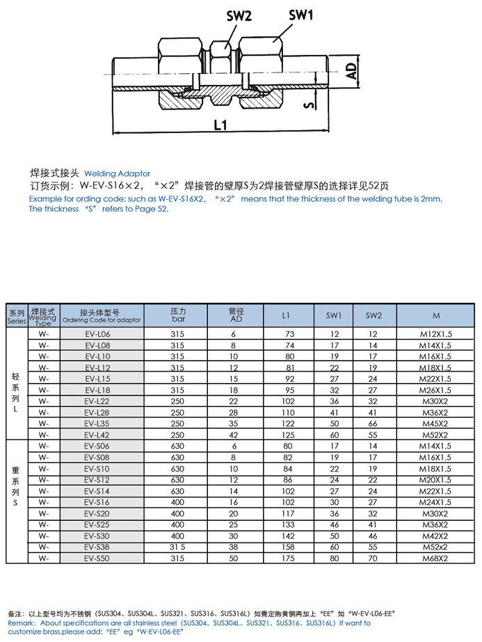
W-EV-L06,W-EV-L10,W-EV-L22,W-EV-L42,W-EV-S30,W-EV-S38,W-EV-S50,直通中间焊接式接头
2015-06-11 12:50
1026
信息概况
价格:
未填
型号:
W-EV-L06,W-EV-L10,W-EV-L22,W-EV-L42,W-EV-S30,W-EV-S38,W-EV-S50,
发货:
3天内
发送询价
W-EV-L06,W-EV-L10,W-EV-L22,W-EV-L42,W-EV-S30,W-EV-S38,W-EV-S50,直通中间焊接式接头
W-EV-L08,W-EV-L12,W-EV-L15,W-EV-L18,W-EV-L28,W-EV-L35,
W-EV-S06,W-EV-S08,W-EV-S10,W-EV-S12,W-EV-S14,W-EV-S16,W-EV-S20,W-EV-S25,
联系方式
姓名:销售员 1463(先生)
电话:
13861877712
传真:0510-82308771
地区:江苏-无锡市
地址:
无锡市会北路28-135
邮件:
4006770998@b.qq.com
QQ:
2355802919
0
人关注
0
人点赞
举报
评分:
分
扫一扫访问当前网页
复制链接
二维码
短信
邮件
关闭
同类了解产品
CYB01/02/03/04/05-00,CYCB系列高压测压接头
PT-1/2/3/4/5/6/7/8/9/10/11/12,PT系列高压测压接头
PGT0406,PGT0604,PGT0804,PGT1006,PGT1208,PGT1610,PGT0806,PGT1008,PGT1210,PGT1612,PGT0608,PGT0810,PGT1
510000,520000,530000,540000,测压接头
MNP140,测压接头
EWTF-M16,EWTF-M20,EWTF-M25,EWTF-M32,EWTF-M25-25.0-ST,防水型波纹管(浪管)接头
取消
发送询价
分享好友
了解产品首页
频道列表
我要评论