返回
柱塞式马达
首页
>
了解产品
>
油泵 齿轮泵 组合泵
>
液压马达/气动马达
>
柱塞式马达
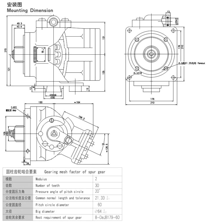
AKE125EX-8WP1,柱塞定量马达
2015-06-06 12:50
1007
信息概况
价格:
未填
型号:
AKE125EX-8WP1,
发货:
3天内
发送询价
AKE125EX-8WP1,柱塞定量马达
联系方式
姓名:销售员 1503(先生)
电话:
13861877712
传真:0510-82308771
地区:江苏-无锡市
地址:
无锡市会北路28-135
QQ:
2355802921
0
人关注
0
人点赞
举报
评分:
分
扫一扫访问当前网页
复制链接
二维码
短信
邮件
关闭
同类了解产品
MF2015-3047,MF2020-2924,MF2024-3048,MF2029-3049,MV2024-3050,MV2029-3052,DYNEX柱塞式油压马达
MF5036-2921,MF5045-2194,MF5060-2922,MF5036-2168,MF5045-2165,MF5060-2925,DYNEX柱塞式油压马达
M2X170-RG17C27,M2X170-RG23C34,MX250-RG100C88,Kawasaki起重机回转用带减速机斜盘式轴向柱塞马达
DNB04E,DNB08D,DNB15B,DNB50,DNB60,Kawasaki斜盘式轴向柱塞马达
HA6VM107,HA6VM160,HA6VM107HD1D/63W,HA6VM160HD1D/63W,HA6VM107HA1T/63W,变量柱塞马达
HA6V80,HA6V107,HA6V160,HA6V80HD1FP1039B,HA6V107HD1FP1039B,HA6V160HD1FP1039B,变量柱塞马达
取消
发送询价
分享好友
了解产品首页
频道列表
我要评论