返回
变量柱塞泵
首页
>
了解产品
>
油泵 齿轮泵 组合泵
>
柱塞泵及泵组
>
变量柱塞泵
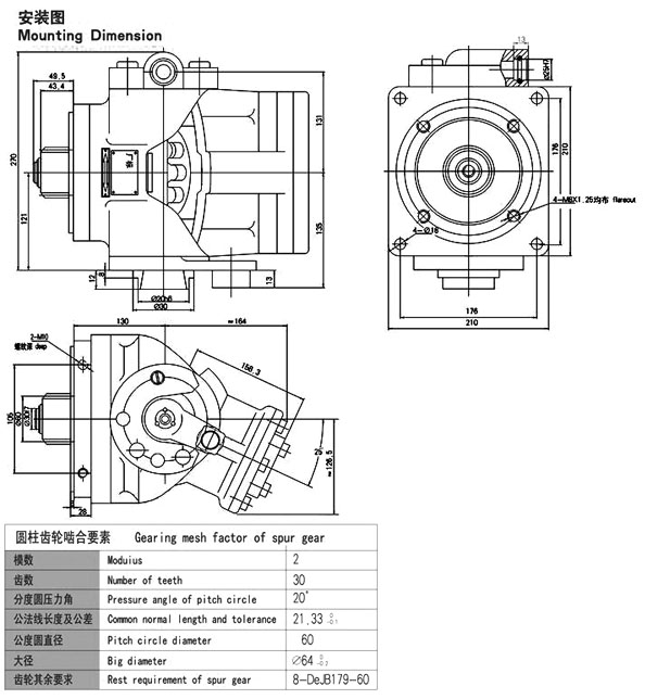
AKEV-55EV-2WP1-V1300S,柱塞变量泵
2015-06-06 12:13
776
信息概况
价格:
未填
型号:
AKEV-55EV-2WP1-V1300S,
发货:
3天内
发送询价
AKEV-55EV-2WP1-V1300S,柱塞变量泵
联系方式
姓名:销售员 1503(先生)
电话:
13861877712
传真:0510-82308771
地区:江苏-无锡市
地址:
无锡市会北路28-135
QQ:
2355802921
0
人关注
0
人点赞
举报
评分:
分
扫一扫访问当前网页
复制链接
二维码
短信
邮件
关闭
同类了解产品
PH56-MSYR-21-CH-10,PH56-MSYR-21-CGH-10,PH56-MSYR-21-CVH-10,PH系列低噪音高压变量柱塞泵
AR16-FR01B-20T,AR16-FR01C-20T,AR22-FR01B-20T,AR22-FR01C-20T,AR,变量柱塞泵YUKEN
V15A1R,V15A1L,V15HQ2R,V15HQ2L,V38G3L,V70HQ4R,V70HQ4L,V38A4R,变量柱塞泵
V15A1R,V15A1L,V15HQ2R,V15HQ2L,V38G3L,V70HQ4R,V70HQ4L,V38A4R,变量柱塞泵
HPV2-28-28-L-03,HPV2-32-32-L-03,HPV2-40-40-L-03,HPV2-28-28-R-03,HPV2-32-32-R-03,HPV2-40-40-R-03,手动变量
HPV-28-L-02C,HPV-32-L-02C,HPV-40-L-02C,HPV-28-R-02C,HPV-32-R-02C,HPV-40-R-02C,手动变量柱塞泵
取消
发送询价
分享好友
了解产品首页
频道列表
我要评论