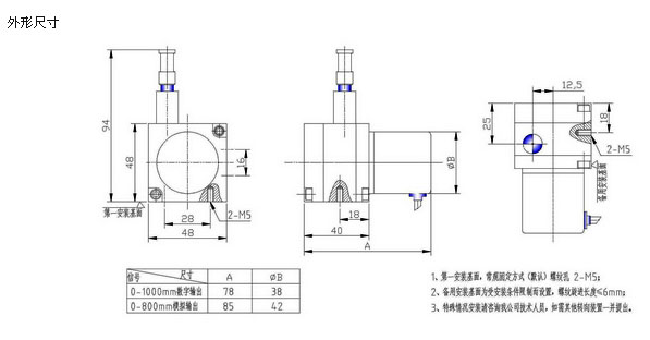
特点与用途 该传感器属于微型拉线(绳)位移传感器,用来记录测量长度0~1000mm的线性距离、模拟量型和数字量型输出,标准化接口,可以坚固耐用特别适合短距离,高分辨率的场合,主要特点:安装方便,设有备用安装基准面,根据需要多种选择;安装空间小,安装难度低;无需导向。机械公差不影响测量精度;广泛应用于直线导轨系统,液压气缸系统、伸缩系统,仓储位置定位,压力机械。造纸机械,纺织机械、金属板材机械、印刷机械、水平控制仪、建筑机械等相关尺寸测量和位置控制;可外接PLC二次仪表,单片机等采集系统。