返回
其他传感器
首页
>
了解产品
>
开关电气 传感器
>
其他传感器
GLN-1,静态扭矩传感器
2015-06-05 08:15
789
信息概况
价格:
未填
型号:
GLN-1,
发货:
3天内
发送询价
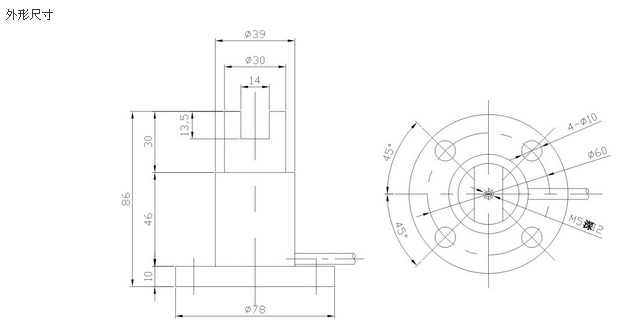
GLN-1,静态扭矩传感器
特点与用途
CFN-I静态扭矩传感器采用电阻应变原理精度高、性能稳定可靠、量程范围大、安装使用方便。其两端连接方式可根据现场需要分别选用法兰连接、四方键连接、键(通槽)连接。适用于静态扭矩的测量。
参 数
单 位
技术参数
参 数
单 位
技术参数
灵敏度
mV/V
1.0±0.05
灵敏度温度系数
≤%F·S/10℃
±0.1
非线性
≤%F·S
±0.3
工作温度范围
℃
-20℃~+80℃
滞 后
≤%F·S
±0.3
输入电阻
Ω
400±20Ω
重复性
≤%F·S
±0.2
输出电阻
Ω
350±5Ω
蠕 变
≤%F·S/30min
±0.3
安全过载
≤%F·S
150%F·S
零点输出
≤%F·S
±2
绝缘电阻
MΩ
≥2000MΩ(50VDC)
零点温度系数
≤%F·S/10℃
±0.1
推荐激励电压
V
10V~15V
联系方式
姓名:销售员 1520(先生)
电话:
13861877712
传真:0510-82328771
地区:江苏-无锡市
地址:
无锡市会北路28-135
QQ:
2355802921
0
人关注
0
人点赞
举报
评分:
分
扫一扫访问当前网页
复制链接
二维码
短信
邮件
关闭
同类了解产品
TP11,温度传感器
TT10型,热电偶温度传感器
TE80-T2A6H100,TE80A-TP2S,TE80A-TP2A,TE80A-TP3A,TE80-2A,TE80-2S,TE80-S,TE80-A,带显示型温度传感器
FS-IR12,光电式液位传感器
XFL-S5-150MM,XFL-S5-100MM,XFL-S5-200MM,XFL-S5-250MM,XFL-S5-300MM,4-20mA信号液位传感器
XFL-S5-250MM,XFL-S5-100MM,XFL-S5-150MM,XFL-S5-200MM,XFL-S5-300MM,5孔法兰电流信息油位传感器
取消
发送询价
分享好友
了解产品首页
频道列表
我要评论