返回
其他传感器
首页
>
了解产品
>
开关电气 传感器
>
其他传感器
GLBL-JF,高压线塔专用传感器
2015-06-05 07:59
516
信息概况
价格:
未填
型号:
GLBL-JF,
发货:
3天内
发送询价
GLBL-JF,高压线塔专用传感器
特点与用途
传感器采用柱式结构,测量精度高、抗偏载能力强;将传感器连接端做成球头挂环样式,取代传统球头挂环;安装在绝缘子串与衡量之间,测量导线的载荷力。
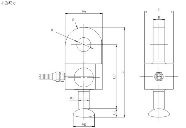
量 程
ФA
B
C
L
L1
L2
Ф1
Ф2
Ф3
R
7t
58
16
45
140.4
13.4
100
22
33
17
29
12t
58
17
45
147.4
13.4
105
24
33
17
29
16t
78
20
66
179.5
19.5
127
26
41
21
33
25t
78
24
66
207
21
147
30
49
25
39
30t
85
28
66
222.5
21
154
39
49
25
47.5
32t
85
28
66
226
21
157.5
39
49
25
47.5
42t
105
32
74
267
23.5
192
39
57
29
52.5
55t
117
36
74
297.5
27
212
45
65
32
58.5
技术指标
参 数
单 位
技术参数
参 数
单 位
技术参数
输出
0~5V、4~20mA
零点输出
≤%F·S
±1
非线性
≤%F·S
±0.2
激励电压
V
12V、24V
滞 后
≤%F·S
±0.2
工作温度范围
℃
-40℃~+80℃
重复性
≤%F·S
±0.2
安全过载
≤%F·S
150%F·S
蠕 变
≤%F·S/30min
±0.1
绝缘电阻
MΩ
≥5000MΩ(50VDC)
联系方式
姓名:销售员 1520(先生)
电话:
13861877712
传真:0510-82328771
地区:江苏-无锡市
地址:
无锡市会北路28-135
QQ:
2355802921
0
人关注
0
人点赞
举报
评分:
分
扫一扫访问当前网页
复制链接
二维码
短信
邮件
关闭
同类了解产品
TP11,温度传感器
TT10型,热电偶温度传感器
TE80-T2A6H100,TE80A-TP2S,TE80A-TP2A,TE80A-TP3A,TE80-2A,TE80-2S,TE80-S,TE80-A,带显示型温度传感器
FS-IR12,光电式液位传感器
XFL-S5-150MM,XFL-S5-100MM,XFL-S5-200MM,XFL-S5-250MM,XFL-S5-300MM,4-20mA信号液位传感器
XFL-S5-250MM,XFL-S5-100MM,XFL-S5-150MM,XFL-S5-200MM,XFL-S5-300MM,5孔法兰电流信息油位传感器
取消
发送询价
分享好友
了解产品首页
频道列表
我要评论