产品特点 测量范围0~6KPa~60MPa 硅压阻式OEM充油压敏元件 可靠性高、稳定性好 尺寸小,结构轻巧 全316L不锈钢
产品应用 对316L不锈钢无腐蚀的气体、液体压力测量 过程控制系统 压力变送器 制冷系统 空压机
量程范围
0~6KPa~60MPa
允许过载
小于等于额定量程的1.5倍或110MPa(取最小值)
供电电源
恒流:1.5mA 恒压:9VDC
零位输出
<±2 mV
满量程输出
DC100±20 mV
精确度
±0.1 %(最小) ±0.25%(典型) ±0.5%(最大)
长期稳定性
±0.3%F.S/年
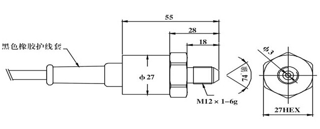
压力接口
M12×1或用户自选
补偿温度
0℃~70℃
工作温度
-10℃~80℃
贮存温度
-40℃~100℃
外壳材质
不锈钢1Cr18Ni9Ti
膜片材质
316L
O型密封圈
氟橡胶
电缆
聚乙烯
绝缘电阻
100MΩ 100VDC
外壳防护等级
IP65