HUF-0252,HUF-0401,HUF-0502,HUF-0801,HUF-1002,HUF-1501,双转子流量计
产品介绍
HUF系列双转子流量计是一种设计独特、经过精密加工装配的新型容积式流量计。一对螺旋转子是计量腔体内唯一的运动体,起到分割、测算、运送和排泄被测液体的作用。该型号流量计在结构上增加了定位齿轮,使两只转子间在转动时达到彼此互不接触。该流量计工作时运转平稳、噪音低、磨损少、准确度高,粘度适应性强,可以允许被测液体中的微细颗粒通过,从而不易卡表。该流量计经过化学镀镍处理,因此具有防腐、耐磨的特性,可代替不锈钢材质的流量计。
1)、该流量计的特点是:
1.适用于稀油、轻质油、稠油、含砂量大、含水量大的原油,被测量液体的粘度范围大。
2.流量计通过的液体流量大,最大流量是同通径普通容积表的二倍左右。
3.使用寿命长,准确度高,可靠性强。
4.压内损失极小。
5.有线远传最长距离为1000米,脉冲信号输出N=0.1L(一个脉冲为1N),可直接与计算机联网。
6.本安防爆IaⅡCT6(本质安全型);隔爆dⅡBT6(隔爆型);防护IP56。
2)、工作原理
该流量计通过一对回转的特殊螺旋转子,直接测量液体流量的容积。
流量计对流体流量的测定是在计量腔体内完成的。一对螺旋转子在液体的压力下转动,转子与计量腔壁间形成的封闭空间(图阴影部分)每回转一次排出8倍阴影体积。因此根据这一关系,只要计量转子回转的次数,即可计算出流量累积量,根据每秒的转数,即可测出瞬时流量。
3).主要技术参数:
公称通径:15-400
准确度:0.1,0.2,0.5级
重复性误差:流量计的重复性误差不超过流量计基本误差限绝对值的1/3
压力损失:0-500mpa.s<80kpa 0-1000 mpa.s<150 kpa
工作压力:1.6,2.5,4.0,6.3 mpa
温度范围:-40—80、-40—150、-40—250、-40—350
介质粘度:0.1—3500 mpa.s
环境温度:-30—70
4)、 主要构件材料及公称压力
| 型号 |
壳体/前盖/后盖 |
盖板 |
螺旋转子 |
轴 |
轴套 |
公称压力(Mpa) |
| HUF-E |
铸钢 |
铸铁 |
不锈钢 |
石墨/滚珠轴承/陶瓷轴承 |
DN100以下-4.0 |
| DN150以上-2.5 |
| HUF-B、C |
不锈钢 |
不锈钢 |
不锈钢 |
不锈钢 |
1.6、2.0、2.5 |
| HUF-S型 |
双体流量计。规格为DN80、DN100、DN150公称压力6.3MPa;DN200公称压力4.0MPa |
| 注 |
LXY-C材质为OCr18Ni12Mo2Ti;LXY-B材质为OCr18Ni9Ti |
流量范围
| 型号 |
口径 |
粘度mPa.s |
| 0.3~0.8 |
0.8~2 |
2~15 |
15~400 |
400~1000 |
1000~2000 |
2000~3500 |
| 汽油 |
煤油 |
柴油、机油 |
重油 |
高粘度液体 |
| HUF-0252 |
25 |
3~9 |
1.5~10 |
1~10 |
1~10 |
1~8 |
1~8 |
1~6 |
| HUF-0401 |
40 |
3~9 |
1.5~10 |
1~10 |
1~10 |
1~8 |
1~8 |
1~6 |
| HUF- 0402 |
7~20 |
3~22 |
2.5~25 |
2~25 |
2~18 |
2~18 |
3~12 |
| HUF-0501 |
50 |
7~20 |
3~22 |
2.5~25 |
2~25 |
2~18 |
2~18 |
3~12 |
| HUF- 0502 |
9~36 |
4.5~36 |
3.6~36 |
3.6~36 |
2.8~25 |
2.8~25 |
4.5~18 |
| HUF-0801 |
80 |
9~36 |
4.5~36 |
3.6~36 |
3.6~36 |
2.8~25 |
2.8~25 |
4.5~18 |
| HUF- 0802 |
20~80 |
10~80 |
10~100 |
10~100 |
6.5~56 |
6.5~56 |
5~40 |
| HUF-1001 |
100 |
20~80 |
10~80 |
10~100 |
10~100 |
6.5~56 |
6.5~56 |
5~40 |
| HUF- 1002 |
25~100 |
13~100 |
15~150 |
15~150 |
8.5~80 |
8.5~80 |
6.5~55 |
| HUF-1501 |
150 |
25~100 |
13~100 |
15~150 |
15~150 |
8.5~80 |
8.5~80 |
6.5~55 |
| HUF- 1502 |
55~225 |
30`250 |
25~250 |
25~250 |
18~150 |
18~150 |
10~100 |
| HUF-2001 |
200 |
55~225 |
30`250 |
25~250 |
25~250 |
18~150 |
18~150 |
10~100 |
| HUF- 2002 |
90~360 |
50~400 |
40~400 |
40~400 |
28~240 |
28~240 |
20~160 |
| HUF-2501 |
250 |
90~360 |
50~400 |
40~400 |
40~400 |
28~240 |
28~240 |
20~160 |
| HUF- 2502 |
130~540 |
65~540 |
60~600 |
60~600 |
42~360 |
42~360 |
30~240 |
| HUF-3001 |
300 |
130~540 |
65~540 |
60~600 |
60~600 |
42~360 |
42~360 |
30~240 |
| HUF- 3002 |
220~800 |
110~900 |
95~950 |
95~950 |
70~600 |
70~600 |
54~450 |
| HUF-3501 |
350 |
220~800 |
110~900 |
95~950 |
95~950 |
70~600 |
70~600 |
54~450 |
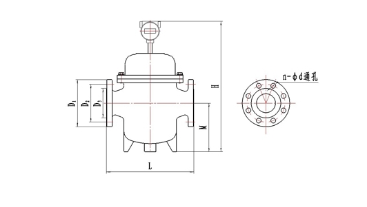
公称压力
(Mpa) |
外形尺寸 |
法兰连接尺寸 |
螺栓 |
| L |
H |
M |
D |
K |
d |
f |
法兰
厚度 |
螺栓
孔径 |
n |
螺纹
规格 |
| 1.6,2.5,4.0 |
360 |
535 |
178 |
165 |
125 |
99 |
2 |
20 |
18 |
4 |
M16 |
| 6.3 |
372 |
535 |
178 |
180 |
135 |
99 |
2 |
26 |
22 |
4 |
M20 |
| 1.6 |
400 |
613 |
221 |
200 |
160 |
132 |
2 |
20 |
18 |
8 |
M16 |
| 2.5,4.0 |
408 |
613 |
221 |
200 |
160 |
132 |
2 |
24 |
18 |
8 |
M16 |
| 6.3 |
416 |
613 |
221 |
215 |
170 |
132 |
2 |
28 |
22 |
8 |
M20 |
| 1.6 |
450 |
682 |
253 |
220 |
180 |
156 |
2 |
22 |
18 |
8 |
M16 |
| 2.5,4.0 |
454 |
682 |
253 |
235 |
190 |
156 |
2 |
24 |
22 |
8 |
M20 |
| 6.3 |
466 |
682 |
253 |
250 |
200 |
156 |
2 |
30 |
26 |
8 |
M24 |
| 1.6 |
560 |
763 |
300 |
285 |
240 |
211 |
2 |
24 |
22 |
8 |
M20 |
| 2.5,4.0 |
568 |
763 |
300 |
300 |
250 |
211 |
2 |
28 |
26 |
8 |
M24 |
| 6.3 |
584 |
763 |
300 |
345 |
280 |
211 |
2 |
36 |
33 |
8 |
M30 |
| 1.6 |
700 |
842 |
337 |
340 |
295 |
266 |
2 |
24 |
22 |
12 |
M20 |
| 2.5 |
712 |
842 |
337 |
360 |
310 |
274 |
2 |
30 |
26 |
12 |
M24 |
| 4.0 |
720 |
842 |
337 |
375 |
320 |
284 |
2 |
34 |
30 |
12 |
M27 |
| 6.3 |
732 |
842 |
337 |
415 |
345 |
284 |
2 |
42 |
36 |
12 |
M33 |
| 1.6 |
1000 |
1210 |
500 |
405 |
355 |
319 |
2 |
26 |
26 |
12 |
M24 |
| 2.5 |
1012 |
1210 |
500 |
425 |
370 |
330 |
2 |
32 |
30 |
12 |
M27 |
| 4.0 |
1024 |
1210 |
500 |
450 |
385 |
345 |
2 |
38 |
33 |
12 |
M30 |
| 6.3 |
1040 |
1210 |
500 |
470 |
400 |
345 |
2 |
46 |
36 |
12 |
M33 |
| 1.6 |
1000 |
1460 |
640 |
460 |
410 |
370 |
2 |
28 |
26 |
12 |
M24 |
| 2.5 |
1012 |
1460 |
640 |
485 |
430 |
389 |
2 |
34 |
30 |
16 |
M27 |
| 4.0 |
1028 |
1460 |
640 |
515 |
450 |
409 |
2 |
42 |
33 |
16 |
M30 |
| 6.3 |
1048 |
1460 |
640 |
530 |
460 |
409 |
2 |
52 |
36 |
16 |
M33 |
HUF-0402,HUF-0501,HUF-0802,HUF-10001,HUF-1502,HUF-2001,HUF-002,
HUF-2501,HUF-2502,HUF-3001,HUF-3002,HUF-3501,