返回
流量计
首页
>
了解产品
>
仪器仪表 自动化
>
流量仪表及控制
>
流量计
LZB-FA100-DN15,LZB-FA100-DN20,LZB-FA100-DN25,LZB-FA100-DN32,玻璃转子流量计
2015-06-04 12:40
885
信息概况
价格:
未填
型号:
LZB-FA100-DN15,LZB-FA100-DN20,LZB-FA100-DN25,LZB-FA100-DN32
发货:
3天内
发送询价
LZB-FA100-DN15,LZB-FA100-DN20,LZB-FA100-DN25,LZB-FA100-DN32,玻璃转子流量计
产品说明:
LZB-FA100玻璃转子流量计 该系列流量计具有高灵敏度、测量范围宽、压力损失小、使用维护方便等特点。 一般用来测量低压、高温、不含颗粒悬浮物的透明液体和气体,广泛应用于石油、化工、钢铁、电子、环保、电力、医药等工业领域。
LZB-FA100玻璃转子流量计主要技术参数
通径
测量范围
工作压力(Mpa)
水(L/h)
空气(NL/min)
15
30-300
60-600
80-800
10-100
20-200
25-250
≤0.8
20
90-900
120-1200
180-1800
20-200
30-300
50-500
25
180-1800
300-3000
480-4800
50-500
100-1000
150-1500
32
480-4800
600-6000
720-7200
200-2000
250-2500
300-3000
40
1-10m3/h
1.2-12m3/h
1.5-15m3/h
18-180Nm3/h
20-200 Nm3/h
25-250 Nm3/h
≤0.6
50
1.2-12m3/h
1.5-15m3/h
1.8-18m3/h
20-200 Nm3/h
25-250 Nm3/h
30-300 Nm3/h
65
1.8-18m3/h
3-30m3/h
4-40m3/h
25-250 Nm3/h
35-350 Nm3/h
40-400 Nm3/h
80
4-40m3/h
5-50m3/h
6-60m3/h
40-400 Nm3/h
50-500 Nm3/h
60-600 Nm3/h
≤0.4
100
6-60m3/h
7-70m3/h
10-100m3/h
60-600 Nm3/h
70-700 Nm3/h
90-900 Nm3/h
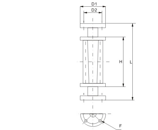
LZB-FA100玻璃转子流量计外形安装尺寸(mm)
型号
FA100-15
FA100-20
FA100-25
FA100-32
FA100-40
FA100-50
FA100-65
FA100-80
FA100-100
L
260
340
340
340
340
340
390
390
410
H
150
200
200
200
200
200
250
250
250
D1
95
105
115
135
145
160
180
185
205
D2
65
75
85
100
110
125
145
150
170
F
4-¢14
4-¢14
4-¢14
4-¢14
4-¢14
4-¢14
4-¢14
4-¢18
4-¢18
LZB-FA100-DN40,LZB-FA100-DN50,LZB-FA100-DN65,LZB-FA100-DN80,LZB-FA100-DN100,
联系方式
姓名:销售员 1520(先生)
电话:
13861877712
传真:0510-82328771
地区:江苏-无锡市
地址:
无锡市会北路28-135
QQ:
2355802921
0
人关注
0
人点赞
举报
评分:
分
扫一扫访问当前网页
复制链接
二维码
短信
邮件
关闭
同类了解产品
FAS-002,FAS-005,FAS-030,FAS-060,FAS-120,流量计FA系列
Z-6011,Z-6012A,Z-6013,Z-6014A,Z-6015,Z-6016A,Z-6012,Z-6011A,Z-6014,水平流量计
Z-5008,Z-5008C,Z-5015,Z-5025,Z-5032,Z-5050,Z-5065,Z-50100,Z-50125,塑管流量计
Z-5615,Z-5620,Z-5625,Z-5632,Z-5650,聚砜管流量计
Z-6501,Z-6502,Z-6503,Z-6504,水平流量计
Z-6211,Z-6212,Z-6213,Z-6214,Z-6215,水平流量计
取消
发送询价
分享好友
了解产品首页
频道列表
我要评论