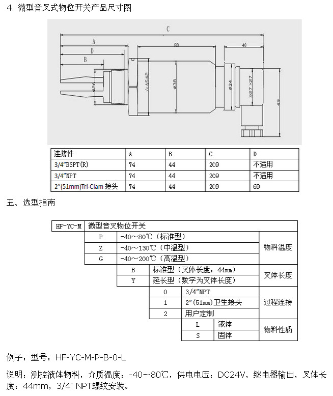
HF-YC-M-P-B-0-L,HF-YC-M-Z-Y-0-L,HF-YC-M-G-B-1-L,微型音叉物位开关
主要技术指标:
◆叉体长度:44mm~100mm(必要时可订制更大长度);
◆供电电压:DC24V ;
◆叉体工作(介质)温度:
普通型:-20~80℃
中温型:-20~130℃
高温型:-20~200℃
◆环境温度:-20~70℃;
◆工作压力:≤2.5MPa;
◆介质密度:≥ 0.7g/cm3(液体)、>0.1g/ cm3(固体);
◆输出方式:继电器开关量(触点容量:5A,220VAC或24VDC,5A)
◆功率消耗:≤0.25W;
◆安装方式:螺纹连接(可用户订制);
◆电气接口:M15×1.5
◆外壳防护:IP65;
◆叉体材质:316不锈钢
一、微型音叉式物位开关工作原理
HF-YC-微型音叉式物位开关是一种新型的物位开关。本产品是一种采用音叉原理设计的液点液位开关。它是一种紧凑开关,配备耐用的不锈钢本体和音叉,可用于各种液体应用场合。3/4”或 1”经济型液位开关通过螺纹安装与管道或储罐上,或者通过卫生连接件安装于食品工业设施。直接负荷开关适用于所有电源或PNP输出,用于可编程逻辑控制器 (PLC)的直接接口。提供防止溢出认证,仅适用于安全区域。
使用压电晶体以音叉的固有频率对音叉进行振动。对于这种频率的变化,可进行连续监控。当产品用于低报警用途时,容器内的液体向下排放流经音叉,引起固有频率变化,这一变化被电子元件检测,从而切换输出状态。当用于高报警用途时,容器内的液体上升并与音叉接触又可切换输出状态。
选择音叉的固有频率(约1300Hz),一防止受到设备振动的干扰,这种干扰可能引起错误的开关动作,音叉的长度较短从而使伸入容器或管道的长度达到最 短,由于该产品的设计采用短音叉技术,因此实际上可用于所有液体应用场合。大量的研究已使音叉设计达到最高的运行频率,从而使该产品适用于所有的液体,包 含涂覆液体(消除音叉粘连搭接)、充气液体和浆液。
二、微型音叉式物位开关适用范围
微型音叉式物位开关是一种新型的物位开关。几乎适用于所有液体介质,同时也适用于测量能自由流动的中等密度的固体粉末或颗粒。由于音叉物位开关基本没有活动部件,机械磨损比较下,因此无需维护和调整,使用简单方便。另外,该物位开关采用国外的新技术和原装进口芯片,具有使用寿命长、性能稳定、安全可靠等优点,以及适应性强(被测介质不同的电参数、密度对测量均不产生影响)、不需调校(无论测量何种介质都不需要现场调校)和免于维护等特点,广泛应用于冶金、建材、化工、轻工、粮食等行业中物位的过程控制。
三、微型音叉式物位开关产品特点
* 运行真正免受流动、湍流、气泡、泡沫、振动、固体含量、涂覆、液体特性以及产品变化的影响
* 不需要标定而且所需要的安装工序最少
* 极性不敏感而且有短路保护功能
* 采用工业标准的插头/插座连接件
* 无活动零件或缝隙真正实现免维护
* 电子元件、自检和状态监控-LED显示状态信息和完好信息
* 磁性测试点为功能测试提供方便
* 紧凑型设计使外形小巧且重量较轻
*“快速低落”的音叉设计对于粘性液体具有更快的响应时间
* 卫生连接件。
四、微型音叉式物位开关主要技术参数
1.物理特性
产品:该产品为紧凑型液位开关
测量原理:振动音叉
应用:可用于大多数液体,包括涂覆液体、充气液体和浆液
2.机械特性
过程材料: 316L 不锈钢(1.4404);对于Tri-Clamp 接头连接件,人工抛光的表面光洁度优于0.8um。
1”BSPP(G1)的垫片材料为非石棉BS7531 X 级碳素纤维,配有橡胶粘合剂。
3.外壳材料
壳体:304 不锈钢,配有聚酯标牌;
LED显示窗口:阻燃聚酰胺 (Pa12)UL94 V2;插头,聚酰胺玻璃插头;
密封:丁腈橡胶122”(50mm)
安装: 3/4”BSPT(R)或NPT;1”BSPT(R)或BSPP(G)螺纹,或者2”(51mm)卫生Tri-clamp接头配件
产品防护等级: IP66/67,符合标准EN60529
HF-YC-M-Z-B-0-L,HF-YC-M-G-B-0-L,HF-YC-M-P-Y-0-L,HF-YC-M-G-Y-0-L,
HF-YC-M-P-B-1-L,HF-YC-M-Z-B-1-L,HF-YC-M-P-Y-1-L,HF-YC-M-Z-Y-1-L,HF-YC-M-G-Y-1-L,
HF-YC-M-P-B-2-L,HF-YC-M-Z-B-2-L,HF-YC-M-G-B-2-L,
HF-YC-M-P-Y-2-L,HF-YC-M-Z-Y-2-L,HF-YC-M-G-Y-2-L,