HSGL01-40/20,HSGL01-50/25,HSGL01-63/32,HSGL01-80/40,HSGL01-90/45,HSGL01-100/50,工程液压缸
型号选择
HSG - L - 01 - D/d × 100 -E 2 5 0 1
HSG-双作用单杆活塞式液压缸
L-缸盖连接方式:L=螺纹式(缸径≤Φ80);K=卡键式(缸径≥Φ80)
01 –设计序号
D/d –缸径mm/活塞杆径mm
100-液压缸行程
E-压力等级16MPa
2 –缸头、缸筒连接方式:1=缸头耳环带衬套;2=缸头耻环带关节轴承;3=铰轴(用于缸径≥Φ80卡键式连接);4=端部法兰(用于缸径≥Φ80卡键式连接);5=中部法兰(用于缸径≥Φ80卡键式连接)
5 –活塞杆端连接方式代号:1=杆端外螺纹;2=杆端内螺纹(缸径≥63);3=杆端外螺纹杆头耳环带衬套;4=杆端内螺纹杆头耳环带衬套(缸径≥63);5=杆端外螺纹杆头耳环带关节轴承;6=杆端内螺纹杆头耳环带关节轴承(缸径≥63);7=整体式活塞杆耳环带衬套(缸径=40、50);8=整体式活塞杆耳环带关节轴承(缸径=40、50)
0-缓冲部位代号:0=不带缓冲;1=两端带缓冲;2=缸头端带缓冲;3=杆头端带缓冲
1 –油口连接方式代号:1=内螺纹
L1-活塞杆端连接方式代号:L1=杆端外螺纹;L2=杆端外螺纹▲
O –工作介质代号:O=机油、液压油;W=高水基(乳化液)
注:型号说明中凡标有▲的目前均按非标处理。
基本参数
| 型号 |
公称压力PMa |
缸径D(mm) |
Ψ=1.33 |
Ψ=1.46 |
Ψ=2 |
最小行程S(mm) |
Ψ=1.46 |
| 杆径d(mm) |
最大行程S(mm) |
杆径d(mm) |
最大行程S(mm) |
杆径d(mm) |
最大行程S(mm) |
推力(N) |
拉力(N) |
| HSGL01-40/dE |
16 |
40 |
20 |
320 |
22 |
400 |
25 |
480 |
- |
20090 |
14020 |
| HSGL01-50/dE |
50 |
25 |
400 |
28 |
500 |
32 |
600 |
- |
31400 |
21550 |
| HSGL01-63/dE |
63 |
32 |
500 |
35 |
630 |
45 |
750 |
- |
49870 |
34480 |
| HSGL01-80/dE |
80 |
40 |
640 |
45 |
800 |
55 |
950 |
- |
49870 |
54980 |
| HSGL01-80/dE |
80 |
40 |
640 |
45 |
800 |
- |
- |
30 |
80420 |
54980 |
| HSGL01-90/dE |
90 |
45 |
720 |
50 |
900 |
63 |
1080 |
40 |
101790 |
70360 |
| HSGL01-100/dE |
100 |
50 |
800 |
55 |
1000 |
70 |
1200 |
40 |
125660 |
87650 |
| HSGL01-110/dE |
110 |
55 |
880 |
63 |
1100 |
80 |
1320 |
45 |
152050 |
102180 |
| HSGL01-125/dE |
125 |
63 |
1000 |
70 |
1250 |
90 |
1500 |
35 |
196350 |
134770 |
| HSGL01-140/dE |
140 |
70 |
1120 |
80 |
1400 |
100 |
1680 |
50 |
246300 |
165880 |
| HSGL01-150/dE |
150 |
75 |
1200 |
85 |
1500 |
105 |
1800 |
55 |
282600 |
191850 |
| HSGL01-160/dE |
160 |
80 |
1280 |
90 |
1600 |
110 |
1900 |
45 |
321700 |
219910 |
| HSGL01-180/dE |
180 |
90 |
1450 |
100 |
1800 |
125 |
2150 |
45 |
407150 |
281500 |
| HSGL01-200/dE |
200 |
100 |
1600 |
110 |
2000 |
140 |
2400 |
50 |
502660 |
350600 |
| HSGL01-220/dE |
220 |
110 |
1760 |
125 |
2200 |
160 |
2640 |
60 |
608200 |
411860 |
| HSGL01-250/dE |
250 |
125 |
2000 |
140 |
2500 |
180 |
3000 |
60 |
785600 |
539100 |
注:1.速比Ψ为活塞腔有效面积与活塞杆腔有效面积之比。
2.最大行程原则上是:Ψ=1.33时,S=8D;Ψ=1.45时,S=10D;Ψ=2时,S=12D;(D为缸径)。
3.最小行程不包括缸头、缸筒连接方式为铰轴及中部法兰型
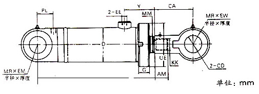
外形安装连接尺寸

HSGL01-110/55,HSGL01-125/63,HSGL01-140/70,HSGL01-150/75,HSGL01-160/80,HSGL01-180/90,HSGL01-200/100,
HSGL01-220/110,HSGL01-250/125,