Y - HG1 - E D/d × 100 L J H L1 O
Y-冶金设备标准液压缸
HG1-双作用单杆活塞式液压缸第一种类型
E –压力分级代号:C=6.3Mpa▲ E=16Mpa;C=25Mpa▲
D/d –缸径mm/活塞杆径mm
100-液压缸行程
L-油口连接方式代号:L=内螺纹连接(用于缸径D≤220);F=法兰连接(用于缸径D≥250)
J –安装方式:J=基本型;F1=头部长方法兰(用于缸径D125);F2=尾部长方法兰(用于缸径D125);F3=头部圆法兰;F4=尾部圆法兰;F5=头部方法兰;F6=尾部方法兰;E1=尾部单耳环带关节轴承;E2=尾部单耳环带轴套;Z1=头部轴销;Z2=中间轴销;Z3=尾部轴销;J1=轴向脚架;J2=径向脚架
H –附加装置代号:H=带缓冲。省略=无缓冲
L1-活塞杆端连接方式代号:L1=杆端外螺纹;L2=杆端内螺纹▲
O –工作介质代号:O=机油、液压油;W=高水基(乳化液)
注:型号说明中凡标有▲的目前均按非标处理。
※基本型外形尺寸(YHG1-** × **J-*L1*)

|
缸径D(mm) |
活塞杆径d(mm) |
推力(N) |
拉力(N) |
KK |
A |
Mxt |
||||
|
Ψ=1.46 |
Ψ=2 |
Ψ=1.46 |
Ψ=2 |
Ψ=1.46 |
Ψ=2 |
Ψ=1.46 |
Ψ=2 |
|||
|
40 |
22 |
28 |
20100 |
14000 |
10200 |
M16*1.5 |
M10*1.5 |
22 |
28 |
M18*1.5 |
|
50 |
28 |
36 |
31400 |
21500 |
15100 |
M20*1.5 |
M27*2 |
28 |
36 |
M18*1.5 |
|
63 |
36 |
45 |
49800 |
33500 |
24400 |
M27*2 |
M33*2 |
36 |
45 |
M27*2 |
|
80 |
45 |
56 |
80400 |
54900 |
41000 |
M33*2 |
M42*2 |
45 |
56 |
M27*2 |
|
90 |
50 |
63 |
101700 |
70300 |
51900 |
M42*2 |
M48*2 |
56 |
63 |
M27*2 |
|
100 |
56 |
70 |
125600 |
86200 |
64000 |
M42*2 |
M48*2 |
56 |
63 |
M33*2 |
|
110 |
63 |
80 |
152000 |
102000 |
76000 |
M48*2 |
M48*2 |
63 |
63 |
M33*2 |
|
125 |
70 |
90 |
196000 |
134700 |
94500 |
M48*2 |
M64*3 |
63 |
85 |
M33*2 |
|
140 |
80 |
100 |
246300 |
165800 |
120600 |
M48*2 |
M80*3 |
63 |
95 |
M42*2 |
|
150 |
85 |
105 |
282700 |
191900 |
144200 |
M64*3 |
M80*3 |
85 |
95 |
M42*2 |
|
160 |
90 |
110 |
321700 |
219900 |
168600 |
M64*3 |
M80*3 |
85 |
95 |
M42*2 |
|
180 |
100 |
125 |
407100 |
281400 |
210800 |
M80*3 |
M80*3 |
95 |
95 |
M48*2 |
|
200 |
110 |
140 |
502600 |
350600 |
256300 |
M80*3 |
M100*3 |
95 |
112 |
M48*2 |
|
220 |
125 |
160 |
608200 |
411800 |
306300 |
M100*3 |
M100*3 |
112 |
112 |
M48*2 |
|
250 |
140 |
180 |
785400 |
539000 |
378200 |
M100*3 |
M125*4 |
112 |
125 |
Φ40 |
|
280 |
160 |
200 |
985200 |
683300 |
482500 |
M125*4 |
M125*4 |
125 |
125 |
Φ40 |
|
320 |
180 |
220 |
1286800 |
879600 |
678500 |
M125*4 |
M160*4 |
125 |
160 |
Φ40 |
|
缸径 |
B |
BA |
C1 |
C2 |
Φ1 |
Φ2 |
VF |
WF |
ZJ |
X |
L1 |
L2 |
L0 |
n1-M1 |
n2-M2 |
|
40 |
48 |
20 |
42 |
66 |
54 |
80 |
19 |
32 |
190 |
8 |
26 |
44 |
12 |
8-M6 |
6-M8 |
|
50 |
55 |
30 |
50 |
75 |
63.5 |
90 |
24 |
38 |
205 |
8 |
18 |
61 |
12 |
8-M6 |
6-M8 |
|
63 |
70 |
38 |
60 |
90 |
76 |
108 |
29 |
45 |
224 |
10 |
25 |
52 |
12 |
8-M8 |
6-M10 |
|
80 |
86 |
55 |
75 |
112 |
95 |
134 |
36 |
54 |
250 |
10 |
36 |
58 |
13 |
8-M10 |
6-M12 |
|
90 |
100 |
55 |
80 |
132 |
108 |
158 |
36 |
55 |
270 |
10 |
43 |
63 |
17 |
8-M12 |
6-M16 |
|
100 |
118 |
68 |
95 |
150 |
121 |
175 |
37 |
57 |
300 |
10 |
47 |
69 |
18 |
8-M12 |
8-M16 |
|
110 |
132 |
60 |
95 |
165 |
133 |
195 |
37 |
57 |
310 |
10 |
50 |
73 |
22 |
8-M16 |
8-M16 |
|
125 |
150 |
80 |
115 |
184 |
152 |
212 |
37 |
60 |
325 |
10 |
50 |
85 |
22 |
8-M16 |
8-M16 |
|
140 |
165 |
95 |
132 |
200 |
168 |
230 |
37 |
62 |
335 |
10 |
53 |
74 |
22 |
8-M16 |
8-M16 |
|
150 |
175 |
105 |
140 |
215 |
180 |
245 |
41 |
64 |
350 |
10 |
54 |
85 |
22 |
8-M16 |
8-M16 |
|
160 |
190 |
110 |
150 |
230 |
194 |
265 |
41 |
66 |
370 |
10 |
59 |
91 |
26 |
8-M20 |
8-M20 |
|
180 |
200 |
110 |
160 |
250 |
219 |
280 |
41 |
70 |
410 |
15 |
65 |
98 |
27 |
8-M20 |
8-M20 |
|
200 |
215 |
120 |
170 |
280 |
245 |
310 |
45 |
75 |
450 |
15 |
65 |
115 |
27 |
8-M20 |
8-M20 |
|
2520 |
240 |
140 |
200 |
310 |
273 |
340 |
45 |
80 |
490 |
20 |
75 |
123 |
36 |
8-M24 |
8-M20 |
|
250 |
280 |
160 |
220 |
340 |
299 |
290 |
64 |
96 |
550 |
25 |
80 |
145 |
36 |
8-M24 |
12-M24 |
|
280 |
300 |
180 |
240 |
370 |
325 |
410 |
64 |
100 |
600 |
30 |
80 |
162 |
36 |
8-M24 |
12-M24 |
|
320 |
360 |
200 |
310 |
430 |
377 |
470 |
71 |
108 |
660 |
35 |
80 |
190 |
36 |
12-M24 |
16-M24 |
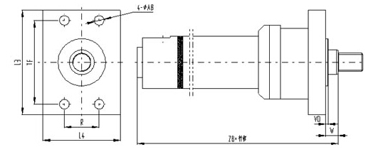
头部长方法兰型外形尺寸(YHG1-**×**F1-*L1*)

|
缸径 |
40 |
50 |
63 |
80 |
90 |
100 |
110 |
125 |
|
W |
16 |
18 |
20 |
22 |
23 |
25 |
25 |
28 |
|
ZB |
198 |
213 |
234 |
260 |
280 |
310 |
320 |
335 |
|
R |
40.6 |
48.2 |
55.5 |
63.1 |
120 |
120 |
140 |
150 |
|
TF |
98 |
116.4 |
134 |
152.5 |
168 |
184.8 |
200 |
217.1 |
|
VD |
3 |
4 |
4 |
4 |
4 |
5 |
5 |
5 |
|
L4 |
86 |
95 |
115 |
140 |
170 |
185 |
205 |
225 |
|
L3 |
120 |
140 |
165 |
190 |
210 |
230 |
245 |
26 |
|
FB |
9 |
11.5 |
13.5 |
17.5 |
22 |
22 |
22 |
22 |
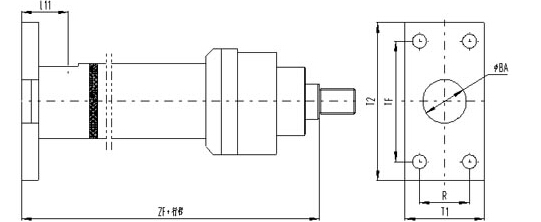
※尾部长方法兰型外形尺寸(YHG1-**×**F2-*L1*)

|
缸径 |
40 |
50 |
63 |
80 |
90 |
100 |
110 |
125 |
|
ZF |
206 |
225 |
249 |
282 |
302 |
332 |
342 |
357 |
|
FB |
9 |
11.5 |
13.5 |
17.5 |
22 |
22 |
22 |
22 |
|
R |
40.6 |
48.2 |
55.5 |
63.1 |
70 |
76.5 |
83 |
90.2 |
|
T1 |
65 |
75 |
85 |
100 |
115 |
120 |
130 |
155 |
|
TF |
98 |
116.4 |
134 |
152.5 |
168 |
184.8 |
200 |
217.1 |
|
T2 |
120 |
140 |
164 |
200 |
210 |
230 |
245 |
260 |
|
BA |
20 |
30 |
38 |
55 |
55 |
68 |
60 |
80 |
|
L11 |
42 |
38 |
50 |
75 |
75 |
79 |
82 |
82 |
※尾部圆形法兰型外形尺寸(YHG1-**×**F2-*L1*)

|
缸径 |
40 |
50 |
63 |
80 |
90 |
100 |
110 |
125 |
140 |
150 |
160 |
180 |
200 |
220 |
250 |
280 |
320 |
|
FC |
106 |
126 |
145 |
165 |
195 |
210 |
230 |
250 |
265 |
280 |
300 |
325 |
355 |
390 |
430 |
470 |
530 |
|
фD |
126 |
150 |
175 |
200 |
240 |
255 |
275 |
295 |
310 |
325 |
345 |
375 |
405 |
445 |
485 |
525 |
595 |
|
L11 |
42 |
38 |
50 |
50 |
68 |
75 |
79 |
82 |
88 |
90 |
95 |
105 |
105 |
120 |
136 |
140 |
143 |
|
BA |
20 |
30 |
38 |
38 |
55 |
55 |
68 |
60 |
95 |
105 |
110 |
110 |
120 |
140 |
160 |
180 |
200 |
|
ZP |
206 |
225 |
249 |
249 |
282 |
302 |
332 |
342 |
370 |
386 |
406 |
450 |
490 |
535 |
606 |
660 |
723 |
|
FB |
9 |
11.5 |
13.5 |
17.5 |
22 |
22 |
22 |
22 |
22 |
22 |
22 |
26 |
26 |
33 |
33 |
39 |
39 |
※头部方法兰型外形尺寸(YHG1-**×**F5-*L1*)

|
缸径 |
40 |
50 |
63 |
80 |
90 |
100 |
110 |
125 |
|
ZB |
198 |
213 |
234 |
260 |
280 |
310 |
320 |
335 |
|
VD |
3 |
4 |
4 |
4 |
4 |
5 |
5 |
5 |
|
W |
16 |
18 |
20 |
22 |
23 |
25 |
25 |
28 |
|
FB |
9 |
11.5 |
13.5 |
17.5 |
22 |
22 |
22 |
22 |
|
S1 |
95 |
115 |
132 |
155 |
170 |
190 |
215 |
224 |
|
S2 |
115 |
140 |
160 |
190 |
210 |
230 |
255 |
265 |
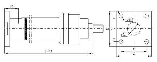
尾部方法兰型外形尺寸(YHG1-**×**F6-*L1*)

|
缸径 |
40 |
50 |
63 |
80 |
90 |
100 |
110 |
125 |
|
ZF |
206 |
225 |
249 |
282 |
302 |
332 |
342 |
357 |
|
BA |
20 |
30 |
38 |
55 |
55 |
68 |
60 |
80 |
|
L11 |
42 |
38 |
50 |
75 |
75 |
79 |
82 |
82 |
|
FB |
9 |
11.5 |
13.5 |
17.5 |
22 |
22 |
22 |
22 |
|
S1 |
65 |
80 |
95 |
110 |
120 |
135 |
145 |
160 |
|
S2 |
90 |
110 |
130 |
150 |
165 |
180 |
190 |
205 |
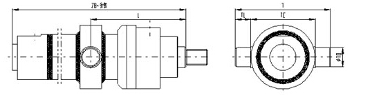
※中间轴销型外形尺寸(YHG1-**×**Z2-*L1*)

|
缸径 |
40 |
50 |
63 |
80 |
90 |
100 |
110 |
125 |
140 |
|
ZB |
198 |
213 |
234 |
260 |
280 |
310 |
320 |
335 |
345 |
|
TD |
20 |
25 |
32 |
40 |
45 |
50 |
55 |
63 |
70 |
|
TL |
16 |
20 |
25 |
32 |
36 |
40 |
45 |
50 |
55 |
|
TM |
90 |
105 |
120 |
135 |
145 |
160 |
176 |
195 |
210 |
|
T |
122 |
145 |
170 |
199 |
217 |
240 |
265 |
295 |
320 |
|
I |
>135<130+L |
>160<125+L |
>165<125+L |
>180<140+L |
>195<145+L |
>220<165+L |
>230<165+L |
>245<180+L |
>250<175+L |
|
缸径 |
150 |
160 |
180 |
200 |
220 |
250 |
280 |
320 |
|
ZB |
360 |
380 |
425 |
465 |
510 |
575 |
630 |
695 |
|
TD |
75 |
80 |
90 |
100 |
110 |
125 |
142 |
160 |
|
TL |
60 |
63 |
70 |
80 |
90 |
100 |
110 |
125 |
|
TM |
225 |
240 |
265 |
295 |
330 |
370 |
420 |
470 |
|
T |
345 |
366 |
405 |
455 |
510 |
570 |
640 |
720 |
|
I |
>265<180+L |
>285<190+L |
>315<210+L |
>350<240+L |
>370<265+L |
>430<295+L |
>470<340+L |
>525<385+L |

|
缸径 |
40 |
50 |
63 |
80 |
90 |
100 |
110 |
125 |
140 |
150 |
160 |
180 |
200 |
220 |
250 |
280 |
320 |
|
XJ |
202.5 |
220 |
242 |
272.5 |
295 |
327.5 |
340 |
350 |
372.5 |
390 |
412.5 |
457.5 |
502.5 |
547.5 |
615 |
672.5 |
742.5 |
|
TD |
20 |
25 |
32 |
40 |
45 |
50 |
55 |
63 |
70 |
75 |
80 |
90 |
100 |
110 |
125 |
142 |
160 |
|
TL |
16 |
20 |
25 |
32 |
36 |
40 |
45 |
50 |
55 |
60 |
63 |
70 |
80 |
90 |
100 |
110 |
125 |
|
TC |
90 |
105 |
120 |
135 |
145 |
160 |
175 |
195 |
210 |
225 |
240 |
265 |
295 |
330 |
370 |
420 |
470 |
|
T |
122 |
145 |
170 |
199 |
217 |
240 |
265 |
295 |
320 |
345 |
366 |
405 |
455 |
510 |
570 |
640 |
720 |
|
BA |
20 |
30 |
38 |
38 |
55 |
55 |
68 |
60 |
95 |
105 |
110 |
110 |
120 |
140 |
160 |
180 |
200 |
|
L11 |
38.5 |
33 |
43 |
58.5 |
68 |
74.5 |
80 |
84 |
90.5 |
94 |
101.5 |
112.5 |
117.5 |
132.5 |
145 |
152.5 |
162.5 |
※尾部轴销型外形尺寸(YHG1-**×**Z3-*L1*)

|
缸径 |
40 |
50 |
63 |
80 |
90 |
100 |
110 |
125 |
140 |
150 |
160 |
180 |
200 |
220 |
250 |
280 |
320 |
|
S |
286 |
285 |
329 |
366 |
405 |
433 |
443 |
485 |
503 |
516 |
564 |
610 |
645 |
710 |
774 |
850 |
952 |
|
S1 |
158 |
176 |
179 |
196 |
215 |
243 |
253 |
265 |
273 |
286 |
304 |
340 |
375 |
410 |
454 |
500 |
552 |
|
S2 |
228 |
247 |
279 |
316 |
345 |
373 |
383 |
415 |
433 |
446 |
484 |
530 |
565 |
620 |
684 |
750 |
832 |
|
WF |
32 |
38 |
45 |
54 |
55 |
57 |
57 |
60 |
62 |
64 |
66 |
70 |
75 |
80 |
96 |
100 |
108 |
|
H |
60 |
75 |
85 |
105 |
116 |
125 |
135 |
150 |
155 |
165 |
175 |
190 |
205 |
225 |
255 |
275 |
310 |
|
h1 |
18 |
22 |
28 |
35 |
35 |
35 |
35 |
35 |
40 |
40 |
40 |
45 |
45 |
50 |
60 |
65 |
70 |
|
h2 |
100 |
115 |
140 |
172 |
195 |
213 |
233 |
256 |
270 |
290 |
305 |
330 |
360 |
395 |
445 |
480 |
545 |
|
R |
45 |
55 |
70 |
90 |
100 |
125 |
145 |
155 |
170 |
185 |
190 |
200 |
220 |
250 |
300 |
320 |
370 |
|
R1 |
80 |
90 |
110 |
134 |
158 |
175 |
195 |
212 |
230 |
245 |
260 |
280 |
310 |
340 |
380 |
410 |
470 |
|
FB |
13.5 |
13.5 |
17.5 |
17.5 |
22 |
22 |
22 |
26 |
26 |
26 |
33 |
33 |
33 |
39 |
39 |
45 |
52 |
|
L11 |
42 |
48 |
50 |
68 |
75 |
79 |
82 |
82 |
88 |
90 |
95 |
105 |
105 |
120 |
136 |
140 |
143 |
