返回
隔离器
首页
>
了解产品
>
仪器仪表 自动化
>
压力与隔离及控制
>
隔离器
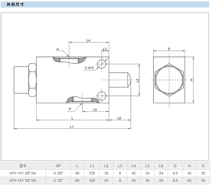
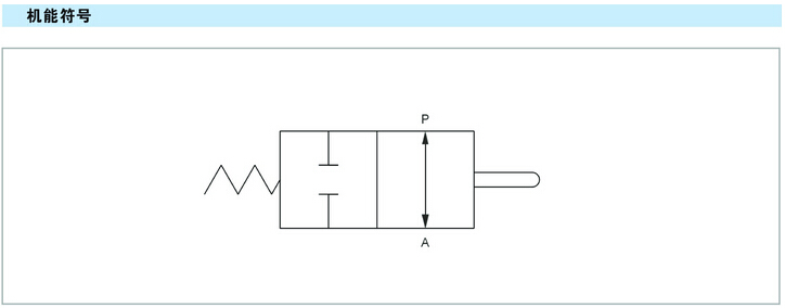
HYV-101 3/8" NA,HYV-121 1/2" NA,按钮式阻断阀
2015-05-08 08:24
4369
信息概况
价格:
未填
型号:
HYV-101 3/8" NA,HYV-121 1/2" NA,
发货:
3天内
发送询价
HYV-101 3/8" NA,HYV-121 1/2" NA,按钮式阻断阀
联系方式
姓名:销售员 1025(女士)
电话:
13861877712
传真:0510-82306771
地区:江苏-无锡市
地址:
无锡市会北路28-135
邮编:214000
QQ:
2355802921
0
人关注
0
人点赞
举报
评分:
分
扫一扫访问当前网页
复制链接
二维码
短信
邮件
关闭
同类了解产品
KCD2-SCD-1,模拟量输出信号调节器
KFD0-CS-2.51P,模拟量输出信号调节器
KFD2-SCD2-1.LK,模拟量输出信号调节器
KFD2-SCD2-2.LK,模拟量输出信号调节器
S1SD-1AI-1U.2,SC(紧凑型)
S1SD-1AI-1U.3,SC(紧凑型)
取消
发送询价
分享好友
了解产品首页
频道列表
我要评论