返回
平衡阀
首页
>
了解产品
>
液压元件 液压阀
>
压力控制阀
>
平衡阀
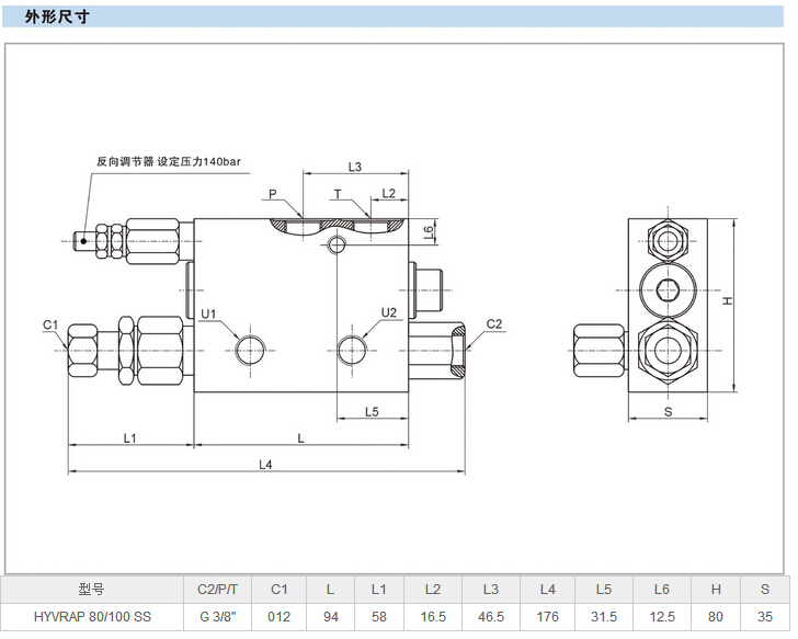
HYVRAP 80/100 SS,双向式倾覆阀
2015-05-08 08:05
1132
信息概况
价格:
未填
型号:
HYVRAP 80/100 SS,
发货:
3天内
发送询价
HYVRAP 80/100 SS,双向式倾覆阀
联系方式
姓名:销售员 1025(女士)
电话:
13861877712
传真:0510-82306771
地区:江苏-无锡市
地址:
无锡市会北路28-135
邮编:214000
QQ:
2355802921
0
人关注
0
人点赞
举报
评分:
分
扫一扫访问当前网页
复制链接
二维码
短信
邮件
关闭
同类了解产品
FD12FA...FD12KA...FD12FB...FD12PA..FD12PB...FD16FA...FD16KA,FD16FB,FD16PA,FD16PB,FD25FA...FD25FB,FD25KA,FD25PA,FD32FA...FD32FB,FD32KA,FD32PA,DC10P...DC10G...DC20P...DC20G...平衡阀
MHA-06-C-20,MHB-06-C-20,MHA-06-H-20,MCB-02-A1-1-10,MCB-03-A1-110,MCB-02-A1-2-10,MCB-03-A1-2-10,MHB-06-H-20,MHA-03-H-20,MHB-03-H-20,MHP-03-H-20,MHA-01-C-30,MHB-01-C-30,MHP-01-C-30,叠加式平衡阀
平衡阀 15160A 15160B 15160AF 15160BF 15220A 15220B 15220AF 15220BF 25160A 25160B 25160AF 25160BF 25220A 25220B 25220AF 25220BF 25330A 25330B 25330AF 25330BF SPHY-H12B-KT SPHY-H12L-KT
BLG-3-B-10,BLG-02-B-12-S20,BLG平衡阀(溢流减压阀)
TGMR-3-PP-AW-G-50,TGMR-3-PP-AH-G-50,TGMR-3-PP-BW-G-50,TGMR-3-PP-BH-G-50,TGMR(1)-3叠加型顺序阀,平衡阀
TGMRC-3-AYA-AW-11,TGMRC-3-AYA-BW-11,TGMRC-3-AYA-CW-11,TGMRC-3叠加型平衡阀
取消
发送询价
分享好友
了解产品首页
频道列表
我要评论