返回
变送器
首页
>
了解产品
>
仪器仪表 自动化
>
压力与隔离及控制
>
变送器
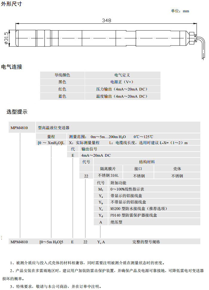
MPM4810-0,MPM4810-5,高温液位变送器
2015-04-28 20:03
729
信息概况
价格:
未填
型号:
MPM4810-0,MPM4810-5
发货:
3天内
发送询价
MPM4810-0,MPM4810-5,高温液位变送器
联系方式
姓名:销售员 1491(先生)
电话:
13861877712
传真:0510-82328771
地区:江苏-无锡市
地址:
无锡市会北路28-135
QQ:
2355802921
0
人关注
0
人点赞
举报
评分:
分
扫一扫访问当前网页
复制链接
二维码
短信
邮件
关闭
同类了解产品
TA10,一体式温度变送器
TA11型,一体式温度变送器
TP10型,温度变送器
HSLYH-G,HSLYH-A,HSLYH-P,通用压力变送器
HSL-3051,智能型压差变送器
HSLYH1-G,HSLYH1-A,HSLYH1-P,精小型压力变送器
取消
发送询价
分享好友
了解产品首页
频道列表
我要评论