返回
伺服阀
首页
>
了解产品
>
液压元件 液压阀
>
比例阀 伺服阀
>
伺服阀
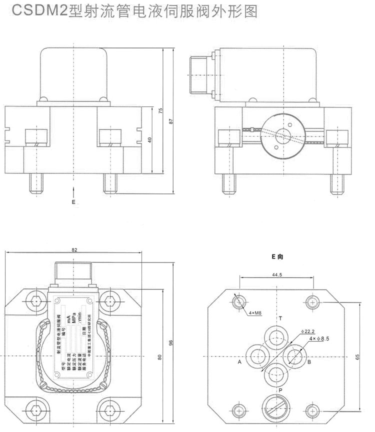
CSDM2-38,CSDM2-63,射流管电液伺服阀
2015-04-28 19:21
1190
信息概况
价格:
未填
型号:
CSDM2-38,CSDM2-63,
发货:
3天内
发送询价
CSDM2-38,CSDM2-63,射流管电液伺服阀
联系方式
姓名:销售员 1494(先生)
电话:
13861877712
传真:0510-82306839
地区:江苏-无锡市
地址:
无锡市会北路28-135
QQ:
2355802921
0
人关注
0
人点赞
举报
评分:
分
扫一扫访问当前网页
复制链接
二维码
短信
邮件
关闭
同类了解产品
ICS125-20027H2058,Danfoss伺服控制阀
ICS1-32027H3020,Danfoss伺服控制阀
ICS1-40027H4020,Danfoss伺服控制阀
ICS1-65027H6020,Danfoss伺服控制阀
ICS325-20027H2108,Danfoss伺服控制阀
ICS325-20027H2109,Danfoss伺服控制阀
取消
发送询价
分享好友
了解产品首页
频道列表
我要评论