返回
逆止阀
首页
>
了解产品
>
液压元件 液压阀
>
压力控制阀
>
逆止阀
ZY439.2.00,ZY439.3.00,双向逆止阀接头
2015-04-26 19:44
1049
信息概况
价格:
未填
型号:
ZY439.2.00,ZY439.3.00,
发货:
3天内
发送询价
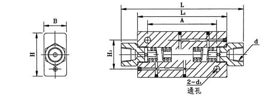
ZY439.2.00,ZY439.3.00,双向逆止阀接头
开启压力:0.44MPa;使用介质:润滑脂NLG0~2#。
代号(订货号)
d
L
B
H
A
L1
H1
S
D
d1
重量(kg)
对应号
ZY439.2.00
Rc3/8
154
28
47
80
110
30
24
27.6
9
1.1
YF12.2
ZY439.3.00
Rc3/4
210
40
76
120
154
50
34
39
11
1.74
YF12.3
标记示例:双向逆止阀接头Rc3/8 ZY439.2.00
联系方式
姓名:销售员1438(女士)
电话:
13861877712
传真:0510-82328771
地区:江苏-无锡市
地址:
无锡市会北路28-135
QQ:
2355802919
0
人关注
0
人点赞
举报
评分:
分
扫一扫访问当前网页
复制链接
二维码
短信
邮件
关闭
同类了解产品
引导逆止阀FP-02,FP-03,FP-04,FPD-02
引导逆止阀FP-02,FP-03,FP-04,FPD-02
DY203X-2.5-DN125,DY203X-2.5-DN150,DY203X-2.5-DN200,DY203X-2.5-DN250, DY203X-2.5-DN300,DY203X-2.5-DN350,DY203X-2.5-DN400,DY203X-2.5-DN450,DY203X-2.5-DN500,DY203X-2.5-DN600,DY203X-2.5-DN700,DY203X-2.5-DN800,减压稳压逆止阀
PC-1/4",PC-1/4"S,POSU引导止逆阀
PCD-1/4,POSU引导止逆阀
C-1/8",C-1/4",C-3/8",C-1/2",C-3/4",C-1",POSU单向止逆阀
取消
发送询价
分享好友
了解产品首页
频道列表
我要评论