返回
其他换向阀
首页
>
了解产品
>
液压元件 液压阀
>
方向控制阀
>
其他换向阀
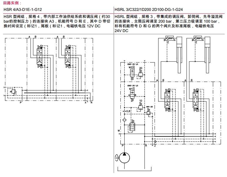
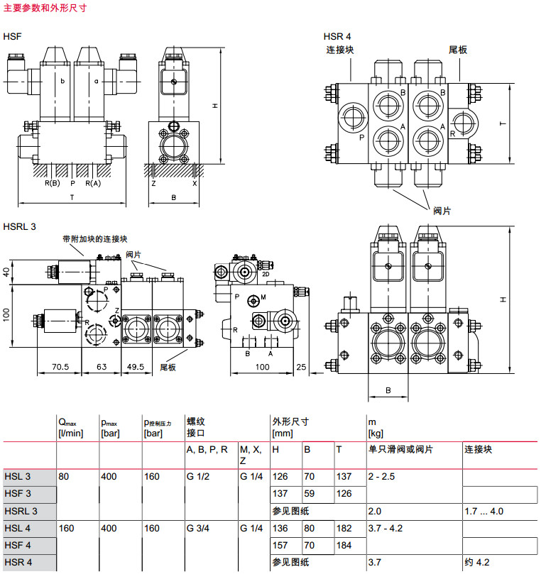
HSL3/B31E-C1WG-1,HSF3/B31E-C1WG-1,HSRL3/B31E-C1WG-1,换向阀
2015-04-26 10:23
853
信息概况
价格:
未填
型号:
HSL3/B31E-C1WG-1,HSF3/B31E-C1WG-1,HSRL3/B31E-C1WG-1,
发货:
3天内
发送询价
HSL3/B31E-C1WG-1,HSF3/B31E-C1WG-1,HSRL3/B31E-C1WG-1,换向阀
HSL4/B31E-C1WG-1,HSF4/B31E-C1WG-1,HSR4/B31E-C1WG-1,
联系方式
姓名:销售员 1510(先生)
电话:
13861877712
传真:0510-82326771
地区:江苏-无锡市
地址:
无锡市会北路28-135
QQ:
2355802921
0
人关注
0
人点赞
举报
评分:
分
扫一扫访问当前网页
复制链接
二维码
短信
邮件
关闭
同类了解产品
QJDL-1AC,QJDL-1DC,QJDL-2AC,QJDL-2DC,QJDL-3AC,QJDL-3DC,QJDL-4AC,QJDL-4DC,QJDZ-1AC,QJDZ-1DC,QJDZ-2AC,QJDZ-2DC,QJDZ-3AC,QJDZ-3DC,QJDZ-4AC,QJDZ-4DC,RBGL-1AC,RBGL-2AC,RBGL-3AC,RBGL-4AC,QJGL-1AC,QJGL-2AC,QJGL-3AC,QJGL-4AC干油电磁阀
ZD-L15F-OD1Q-J,ZD-L15F-AD1Q-J,ZD-L15F-YD1Q-J,ZD-L15电气控整体阀
DG3S-10-0C-JA-10-M,DG3S-10-2C-JA-10-M,DG3S-10-3C-JA-10-M,DG3S-10先导换向阀
DG20S-3-2A-P-20,DG20S-3-2A-T-20,DG20S-3-2A-S-20,DG20S-3-2AL-P-20,DG20S-3机械操作换向阀
JeouGang台湾久冈,中止阀HT-4211-10-23,HT-4211-15-23,HT-4211-20-23,HT-4211-25-23,HT-4211-32-23,HF-4211-10-23,HF-4211-15-23,HF-4211-20-23,HF-4211-25-23,HF-4211-32- 23,HF-4211-40-23,HF-4211-50-23,HG-4211-10-23,HG-4211-20-23,HG-4211-32-23
Northman台湾北部精机,三通换向阀NCV-01-NC-D0-M,NCV-01-NC-D12-M,NCV-01-NC-D24-M
取消
发送询价
分享好友
了解产品首页
频道列表
我要评论