返回
换热器
首页
>
了解产品
>
液压辅助元件
>
冷却与换热装置
>
换热器
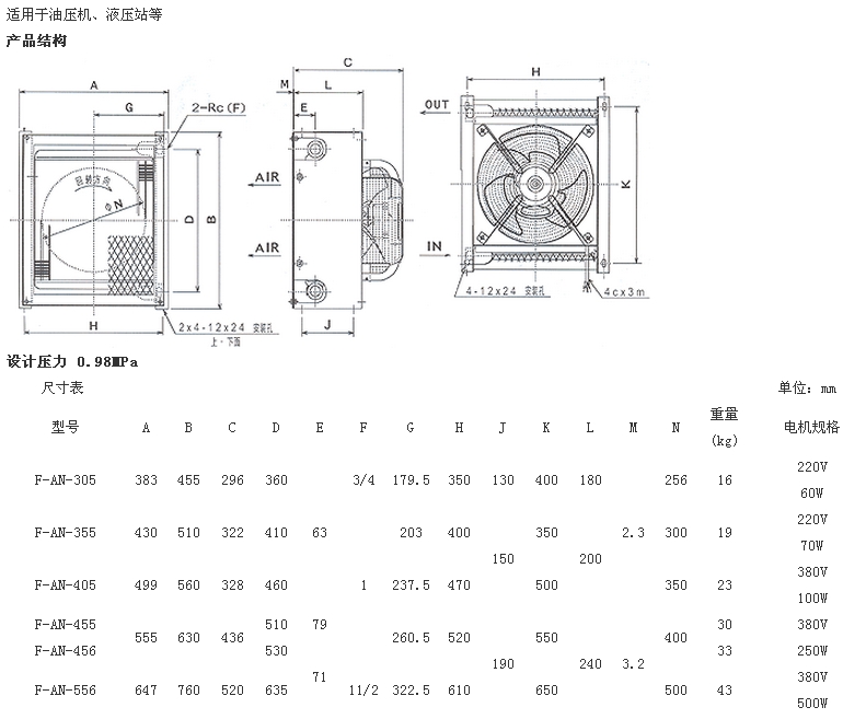
F-AN-305,F-AN-355,F-AN-405,F-AN-455,F-AN-456,F-AN-556,板翅式换热器
2015-04-26 09:23
827
信息概况
价格:
未填
型号:
F-AN-305,F-AN-355,F-AN-405,F-AN-455,F-AN-456,F-AN-556,
发货:
3天内
发送询价
F-AN-305,F-AN-355,F-AN-405,F-AN-455,F-AN-456,F-AN-556,板翅式换热器
联系方式
姓名:销售员 1512(先生)
电话:
13861877712
传真:0510-82326771
地区:江苏-无锡市
地址:
无锡市会北路28-135
QQ:
2355802919
0
人关注
0
人点赞
举报
评分:
分
扫一扫访问当前网页
复制链接
二维码
短信
邮件
关闭
同类了解产品
HE0.5015D0001,Danfoss热交换器
HE1.0015D0003,Danfoss热交换器
HE1.0015D0003,Danfoss热交换器
HE1.0015D0004,Danfoss热交换器
HE1.5015D0005,Danfoss热交换器
HE4.0015D0007,Danfoss热交换器
取消
发送询价
分享好友
了解产品首页
频道列表
我要评论