返回
液压马达
首页
>
了解产品
>
油泵 齿轮泵 组合泵
>
液压马达/气动马达
>
液压马达
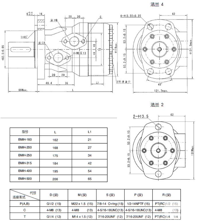
BMH-200,BMH-250,BMH-315,BMH-400,BMH-500,blince摆线液压马达
2015-04-24 12:25
922
信息概况
价格:
未填
型号:
BMH-200,BMH-250,BMH-315,BMH-400,BMH-500
发货:
3天内
发送询价
BMH-200,BMH-250,BMH-315,BMH-400,BMH-500,blince摆线液压马达
联系方式
姓名:销售员 1516(先生)
电话:
13861877712
传真:0510-82328771
地区:江苏-无锡市
地址:
无锡市会北路28-135
QQ:
2355802919
0
人关注
0
人点赞
举报
评分:
分
扫一扫访问当前网页
复制链接
二维码
短信
邮件
关闭
同类了解产品
BMM系列轴配液压马达 BMM-8/12.5/20/32/40/50
SX504BM,SX505BM,HMKB046,HMB270,HDB270,HMHDB400,SB504,HMKC046,HMC270,Kawasaki径向柱塞液压马达
液压马达BM-C80,BM-C100,BM-C125,BM-C160,BM-C200,BM-C250,BM-C315
JM11-E0.16,JM11-E0.2,曲轴连杆式径向柱塞液压马达
JM11-F0.25F1,JM11-F0.45F1,JM11-F0.5F1,JM11-E0.56F1,JM11-E0.63F1,曲轴连杆式径向柱塞液压马达
JM12-FO.63F1,JM12-FO.8F1,JM12-FO.9F1,JM12-E1.25F2,JM12N-E1.2F2,曲轴连杆式径向柱塞液压马达
取消
发送询价
分享好友
了解产品首页
频道列表
我要评论