返回
液压马达
首页
>
了解产品
>
油泵 齿轮泵 组合泵
>
液压马达/气动马达
>
液压马达
EPMZM8,EPMZ80,EPMZR100,EPMZH315,EPMZ1-160,EPMZ2-315,EPMZS250,摆线液压马达
2015-04-18 16:57
1130
信息概况
价格:
未填
型号:
EPMZM8,EPMZ80,EPMZR100,EPMZH315,EPMZ1-160,EPMZ2-315,EPMZS250
发货:
3天内
发送询价
EPMZM8,EPMZ80,EPMZR100,EPMZH315,EPMZ1-160,EPMZ2-315,EPMZS250,摆线液压马达
EPMZM12,EPMZM20,EPMZM32,EPMZM40,EPMZM50,
EPMZ50,EPMZ100,EPMZ125,EPMZ160,EPMZ200,EPMZ250,EPMZ315,EPMZ400,
EPMZR50,EPMZR80,EPMZR125,EPMZR160,EPMZR200,EPMZR250,EPMZR315,EPMZR375,
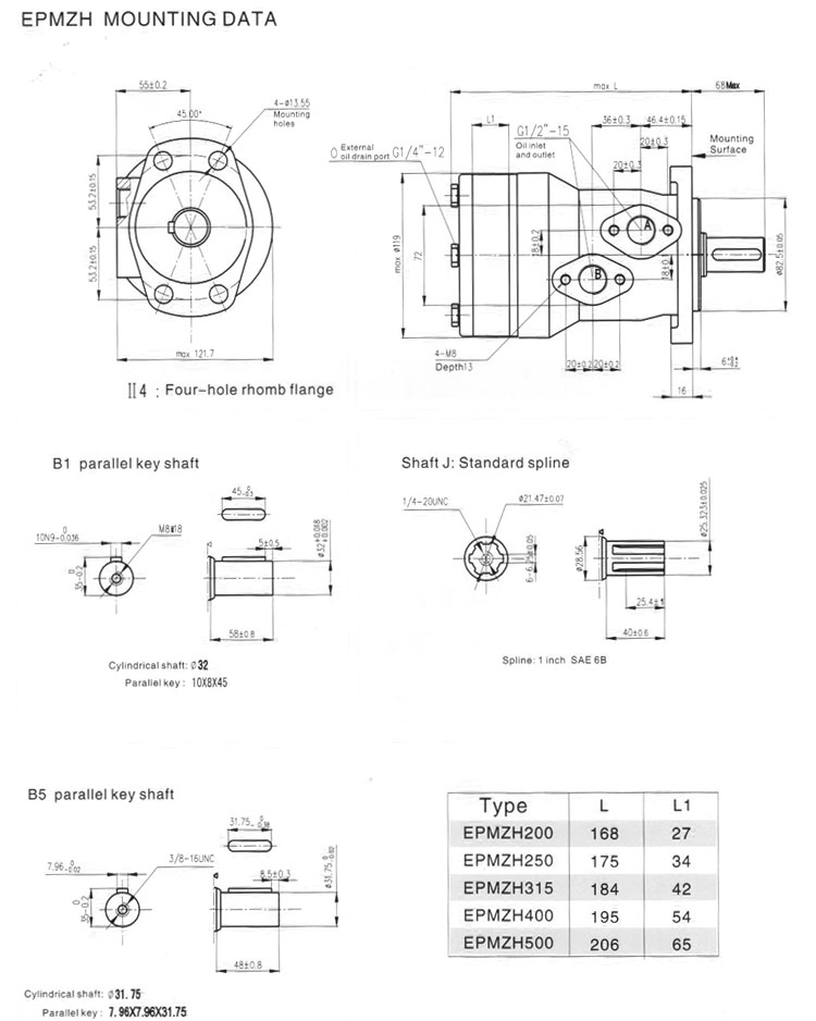
EPMZH200,EPMZH250,EPMZH400,EPMZH500,
EPMZ1-80,EPMZ1-100,EPMZ1-125,EPMZ1-200,EPMZ1-250,EPMZ1-315,EPMZ1-400,
EPMZ2-125,EPMZ2-160,EPMZ2-200,EPMZ2-250,EPMZ2-400,EPMZ3-500,EPMZ3-630,
EPMZS80,EPMZS100,EPMZS125,EPMZS160,EPMZS200,EPMZS315,EPMZS375,
EPMZT160,EPMZT200,EPMZT250,EPMZT315,EPMZT400,EPMZT500,EPMZT630,EPMZT800,
EPMZV315,EPMZV400,EPMZV500,EPMZV630,EPMZV800,
联系方式
姓名:销售员 1447(先生)
电话:
13861877712
传真:0510-82326771
地区:江苏-无锡市
地址:
无锡市会北路28-135
邮件:
4006770998@b.qq.com
QQ:
2355802919
0
人关注
0
人点赞
举报
评分:
分
扫一扫访问当前网页
复制链接
二维码
短信
邮件
关闭
同类了解产品
BMM系列轴配液压马达 BMM-8/12.5/20/32/40/50
SX504BM,SX505BM,HMKB046,HMB270,HDB270,HMHDB400,SB504,HMKC046,HMC270,Kawasaki径向柱塞液压马达
液压马达BM-C80,BM-C100,BM-C125,BM-C160,BM-C200,BM-C250,BM-C315
JM11-E0.16,JM11-E0.2,曲轴连杆式径向柱塞液压马达
JM11-F0.25F1,JM11-F0.45F1,JM11-F0.5F1,JM11-E0.56F1,JM11-E0.63F1,曲轴连杆式径向柱塞液压马达
JM12-FO.63F1,JM12-FO.8F1,JM12-FO.9F1,JM12-E1.25F2,JM12N-E1.2F2,曲轴连杆式径向柱塞液压马达
取消
发送询价
分享好友
了解产品首页
频道列表
我要评论