返回
齿轮泵
首页
>
了解产品
>
油泵 齿轮泵 组合泵
>
齿轮泵及泵组
>
齿轮泵
CBJ40-B28,CBJ40-B28A,CBJ40-B32,CBJ40-B40,CBJ40-B45,CBJ40-B63,齿轮泵
2015-04-13 18:47
635
信息概况
价格:
未填
型号:
CBJ40-B28,CBJ40-B28A,CBJ40-B32,CBJ40-B40,CBJ40-B45,CBJ40-B63,
发货:
3天内
发送询价
CBJ40-B28,CBJ40-B28A,CBJ40-B32,CBJ40-B40,CBJ40-B45,CBJ40-B63,齿轮泵
CBJ40-B100,CBJ40-B32/45,
技术规格:
型号
公称排量ML/R
最大压力MPa
最大转速R/Min
质量Kg
日本小松制作所代号
CBJ40-B28
28
3
1950
9.0
CBJ40-B28A
28
3
1950
9.0
CBJ40-B32
32
3
2300
9.5
07430-72203 FAR032-203
CBJ40-B40
40
3
2300
10.5
07432-71203 FAR040-203
CBJ40-B45
45
3
2300
11.2
CBJ40-B63
63
3
2000
13.4
07436-72202 FAR063-202
CBJ40-B100
100
3
2000
15
CBJ40-B32/45
32/45
3
2300
18.75
07400-40500 FAR032+FAR045
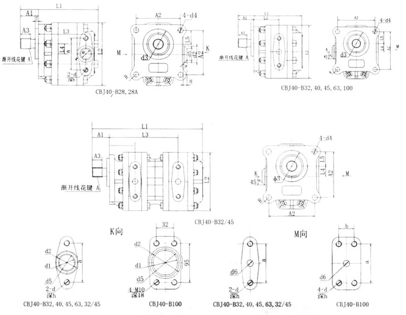
代号详细尺寸:
型号
A
A1
A2
A3
D1
D2
D5
D3
D4
D6
L1
L2
L3
R
A
B
L4
L5
D
H
CBJ40-B28
EXT16z*1.25m*20p
39
95
22
22
35h9
26
65f7
11
11
167.4
134.5
103
12
68
-
21.5
30
M10
20
CBJ40-B28A
EXT13z*1.667m*20p
39
95
22
22
35h9
26
65f7
11
11
167.4
134.5
103
12
68
-
21.5
30
M10
20
CBJ40-B32
EXT13z*1.667m*20p
44
105
25
20
32h9
23
72f8
11
13
164
149.5
65.5
11
74
-
23.5
34
M10
18
CBJ40-B40
EXT13z*1.667m*20p
44
105
25
27
39h9
30
72f8
11
13
173
149.5
70
11
74
-
23.5
34
M10
18
CBJ40-B45
EXT13z*1.667m*20p
44
105
25
27
39h9
30
72f8
11
13
179
149.5
73
11
74
-
23.5
34
M10
18
CBJ40-B63
EXT16z*1.667m*20p
49
116
30
33
45h9
36
79f8
13
15
191
166
75.5
14
82
27
27.4
36
M10
18
CBJ40-B100
EXT19z*1.667*20p
54
135
35
45
57h9
48
92f8
13
18
224
192.5
89.5
13
100
28
32.75
44
M12
21
CBJ40-B32/45
EXT13z*1.667*20p
51
105
32
20/27
32/39h9
23/30
72f8
11
13/17
289
149.5
65.5/176
11
74
-
23.5
34
M10
18
特点:
本系列齿轮泵是引进日本小松制作所的FAR和FAL泵技术制造和发展的,用于该公司D60、D65、D85等推土机。
采用三层复合材料滑动轴承、减摩、耐磨.
油口:侧面法兰。
轴伸:花键。
安装:4孔矩形法兰。
可组成双联泵。
联系方式
姓名:销售员 1506(先生)
电话:
13861877712
传真:0510-82308771
地区:江苏-无锡市
地址:
无锡市会北路28-135
QQ:
2355802921
0
人关注
0
人点赞
举报
评分:
分
扫一扫访问当前网页
复制链接
二维码
短信
邮件
关闭
同类了解产品
APGH2-008-01R-VPU2,APGH2-010-01R-VPU2,APGH2-013-01R-VPU2,APGH2-016-01R-VPU2,APGH2-020-01R-VPU2,CP0-8P-10R,CP0-10P-10R,CP0-13P-10R,CP0-16P-10R,CP0-20P-10R,CP1-25P-10R,CP1-32P-10R,HG0-8-01R-VPC,HG0-10-01R-VPC,HG0-13-01R-VPC齿轮泵
G5-5-5-1E13S-20R,G5-8-5-1E13F-20R,G5-25-08-1E13F-20R,G5-10-5-1E13S-20R,G5-12-16-1E13S-20R,G5-20-8-1E13S-20R,G5-25-16-1E13S-20R,双联齿轮泵
G5-5,G5-6,G5-8,G5-12-1E13S-20-R,G5-10,G5-12,G5-16,G5-30-1E13S-20R,G5-20,G5-25,G5-30,G5-25-A13S-20-R,单联齿轮泵
KF-2.7,KF-4,KF-6,KF-12,KF-15,KF-18,KF-20,KF系列可逆双向摆线齿轮油泵
SXCB4,SXCB6,SXCB10,SXCB16,SXCB20,SXCB25,SXCB32,SXCB系列摆线双向齿轮油泵
SXCB4JZ,SXCB6JZ,SXCB10JZ,SXCB16JZ,SXCB20JZ,SXCB25JZ,SXCB摆线双向齿轮泵电机组(立卧式)
取消
发送询价
分享好友
了解产品首页
频道列表
我要评论