CBZ115-100/050,CBZ115B-100/050,CBZ115-100/100,CBZ115-150/100,CBZ115-150/120,齿轮泵
CBZ115-170/150,CBZ115-180/140,CBZ115-180/160,

技术规格
| 型号 |
公称排量ML/R |
控制流量L/Min |
安全阀调定MPa |
转速范围R/Min |
最高转速和最大压力时的输入功率Kw |
质量 |
| CBZ115-100/050 |
15 |
10 |
5 |
600-3500 |
6.4 |
3.5 |
| CBZ115B-100/050 |
15 |
10 |
5 |
600-3500 |
6.4 |
3.5 |
| CBZ115-100/100 |
15 |
10 |
10 |
600-3500 |
12.8 |
3.5 |
| CBZ115-150/100 |
15 |
15 |
10 |
600-3500 |
12.8 |
3.5 |
| CBZ115-150/120 |
15 |
15 |
12 |
600-3500 |
15.4 |
3.5 |
| CBZ115-170/150 |
15 |
17 |
15 |
600-3500 |
19.3 |
3.5 |
| CBZ115-180/140 |
15 |
18 |
14 |
600-3500 |
18.1 |
3.5 |
| CBZ115-180/160 |
15 |
18 |
16 |
600-3500 |
20.6 |
3.5 |
特点
- CBZ115系列转向泵结构紧凑,具有两个油口,转速高或压力大于安全阀压力时,泵内多余的油液从内部回到吸油口
- 泵内装有流量控制阀,输出流量可在10-20升/分范围内选择。
- 压力控制回路装有安全阀,可防止系统过载,安全阀压力可按需要调整,最大压力16MP。
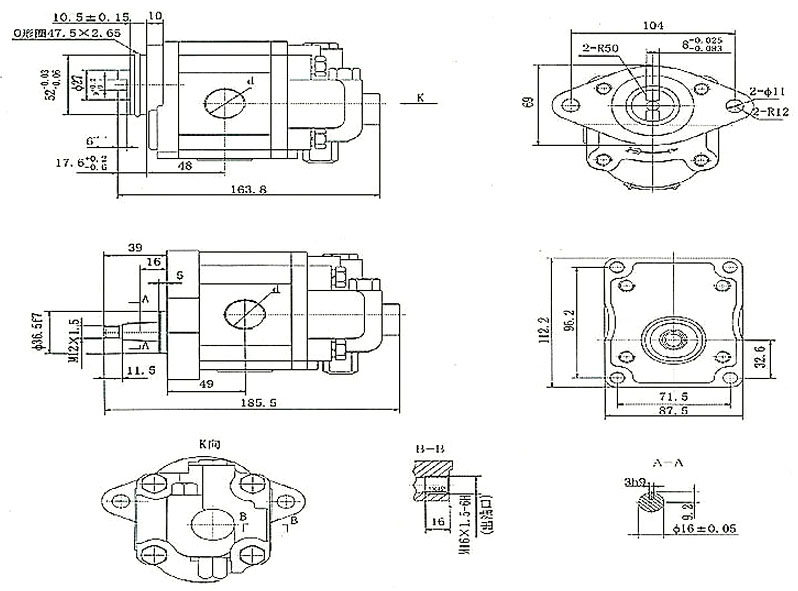
- 传动形式:扁方和单键锥轴。
- 安装法兰:有两孔菱形法兰和四孔矩形法兰。
- 旋向:顺时针或反时针(面向传动轴看)。