返回
齿轮泵
首页
>
了解产品
>
油泵 齿轮泵 组合泵
>
齿轮泵及泵组
>
齿轮泵
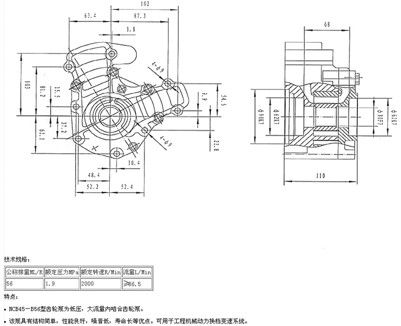
NCB45-B56,齿轮泵
2015-04-13 18:28
656
信息概况
价格:
未填
型号:
NCB45-B56
发货:
3天内
发送询价
NCB45-B56,齿轮泵
联系方式
姓名:销售员 1506(先生)
电话:
13861877712
传真:0510-82308771
地区:江苏-无锡市
地址:
无锡市会北路28-135
QQ:
2355802921
0
人关注
0
人点赞
举报
评分:
分
扫一扫访问当前网页
复制链接
二维码
短信
邮件
关闭
同类了解产品
APGH2-008-01R-VPU2,APGH2-010-01R-VPU2,APGH2-013-01R-VPU2,APGH2-016-01R-VPU2,APGH2-020-01R-VPU2,CP0-8P-10R,CP0-10P-10R,CP0-13P-10R,CP0-16P-10R,CP0-20P-10R,CP1-25P-10R,CP1-32P-10R,HG0-8-01R-VPC,HG0-10-01R-VPC,HG0-13-01R-VPC齿轮泵
G5-5-5-1E13S-20R,G5-8-5-1E13F-20R,G5-25-08-1E13F-20R,G5-10-5-1E13S-20R,G5-12-16-1E13S-20R,G5-20-8-1E13S-20R,G5-25-16-1E13S-20R,双联齿轮泵
G5-5,G5-6,G5-8,G5-12-1E13S-20-R,G5-10,G5-12,G5-16,G5-30-1E13S-20R,G5-20,G5-25,G5-30,G5-25-A13S-20-R,单联齿轮泵
KF-2.7,KF-4,KF-6,KF-12,KF-15,KF-18,KF-20,KF系列可逆双向摆线齿轮油泵
SXCB4,SXCB6,SXCB10,SXCB16,SXCB20,SXCB25,SXCB32,SXCB系列摆线双向齿轮油泵
SXCB4JZ,SXCB6JZ,SXCB10JZ,SXCB16JZ,SXCB20JZ,SXCB25JZ,SXCB摆线双向齿轮泵电机组(立卧式)
取消
发送询价
分享好友
了解产品首页
频道列表
我要评论