返回
叶片泵
首页
>
了解产品
>
油泵 齿轮泵 组合泵
>
叶片泵及泵组
>
叶片泵
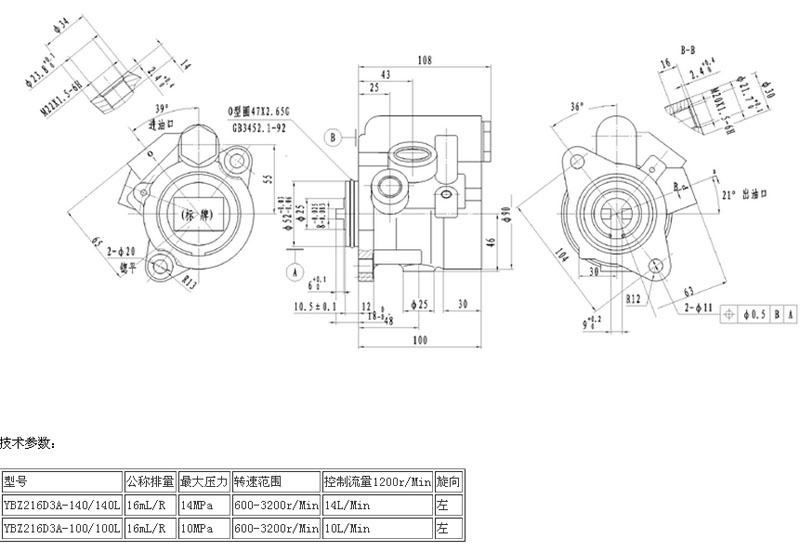
YBZ216D3A-140/140L,YBZ216D3A-100/100L,叶片泵
2015-04-13 18:22
734
信息概况
价格:
未填
型号:
YBZ216D3A-140/140L,YBZ216D3A-100/100L,
发货:
3天内
发送询价
YBZ216D3A-140/140L,YBZ216D3A-100/100L,叶片泵
联系方式
姓名:销售员 1506(先生)
电话:
13861877712
传真:0510-82308771
地区:江苏-无锡市
地址:
无锡市会北路28-135
QQ:
2355802921
0
人关注
0
人点赞
举报
评分:
分
扫一扫访问当前网页
复制链接
二维码
短信
邮件
关闭
同类了解产品
T6C-03,T6C-05,T6C-06,T6C-08,T6C-10,T6C-12,T6C-14,T6C-17,T6C-20,T6C-22,T6C-25,T6C-28,T6C-31,T6D-14,T6D-17,T6D-20,T6D-24,T6D-28,T6D-31,T6D-35,T6D-38,T6D-42,T6D-45,T6D-50,T6D-61,T6E-42,T6E-45,T6E-50,T6E-52,T6E-57,T6E-62,T6E-66,T6E-72,T6E-85叶片泵
Northman北部精机,低噪音单联高压叶片泵SQPS1-06,SQPS1-08,SQPS1-11,SQPS1-14,SQPS1-17,SQPS2-43,SQPS2-47,SQPS2-52,SQPS2-60,SQPS2-65,SQPS2-75,SQPS3-60,SQPS3-66,SQPS3-76,SQPS3-82,SQPS4-200,SQPS4-216,SQPS4-237
Northman北部精机,直接式电机附定量&变量叶片泵SMVP-12-1-5-V,SMVP-12-1-5,SMVP-20-1-5-V,SMVP-20-1-5,SMVP-30-2-5-V,SMVP-30-2-5,SMVP-40-2-5-V,SMVP-40-2-5,SMNP-12-1-5-V,SMNP-12-1-5,SMNP-30-2-5-V,SMNP-30-2-5
W85A,W85AB,W85BT,W85D,winner雙泵浦
W84A,W84AB,W84BT,W84D,winner高低壓雙泵浦(標準)
PVX-46B25-RF,PVX-60B25-RF,PVX-75B25-RF,CONTINENTAL叶片泵
取消
发送询价
分享好友
了解产品首页
频道列表
我要评论