返回
电磁制动器
首页
>
了解产品
>
制动器 离合器
>
制动器
>
电磁制动器
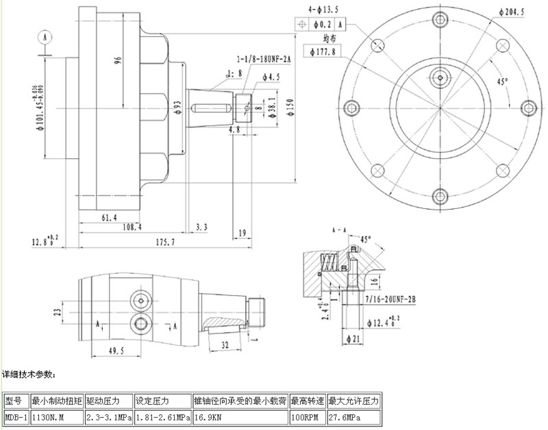
MDB-1,制动器
2015-04-13 18:01
723
信息概况
价格:
未填
型号:
MDB-1,
发货:
3天内
发送询价
MDB-1,制动器
联系方式
姓名:销售员 1506(先生)
电话:
13861877712
传真:0510-82308771
地区:江苏-无锡市
地址:
无锡市会北路28-135
QQ:
2355802921
0
人关注
0
人点赞
举报
评分:
分
扫一扫访问当前网页
复制链接
二维码
短信
邮件
关闭
同类了解产品
BN06,BN08,BN10,BN12,BN14,BN16,BN18,BN20,BN25,BN30,电磁制动器
DHM3-04C,DHM3-05C,DHM3-08C,DHM3-15C,DHM3-30C,电磁制动器
DHM3-200,DHM3-300,DHM3-450,DHM3-600,DHM3-850,大扭矩电磁制动器
YS-B-0.6,YS-B-1.2,YS-B-2.5,YS-B-5,YS-B-10,YS-B-20,YS-B-40,干式单板电磁制动器
YS-J-0.6,YS-J-1.2,YS-J-2.5,YS-J-5,YS-J-10,YS-J-20,YS-J-40,内藏式电磁离合、制动器组合
YS-G-0.6,YS-G-1.2,YS-G-2.5,YS-G-5,YS-G-10,YS-G-20,外露式电磁双离合内单电磁制动器组合
取消
发送询价
分享好友
了解产品首页
频道列表
我要评论