返回
顺序阀
首页
>
了解产品
>
液压元件 液压阀
>
压力控制阀
>
顺序阀
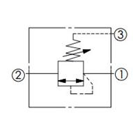
SP-11A-30-A,SP-11A-30-B,SP-11A-30-C,SP-11A-30-D,顺序阀
2015-03-31 20:41
697
信息概况
价格:
未填
型号:
SP-11A-30-A,SP-11A-30-B,SP-11A-30-C,SP-11A-30-D,
发货:
3天内
发送询价
SP-11A-30-A,SP-11A-30-B,SP-11A-30-C,SP-11A-30-D,顺序阀
联系方式
姓名:销售员1475(女士)
电话:
13861877712
传真:0510-82328771
地区:江苏-无锡市
地址:
无锡市会北路28-135
QQ:
2355802919
0
人关注
0
人点赞
举报
评分:
分
扫一扫访问当前网页
复制链接
二维码
短信
邮件
关闭
同类了解产品
CS1-063-L10N,CSV-063/093/T11/T02/T17-L10N,油压顺序阀
KPSA系列单向压力顺序阀
X-D6B,XY-D6B,AX-D6B,AXY-D6B,顺序阀
X-D10B,X1-D10B,XY-D10B,XY1-D10B,AX1-D10B,AXY-D10B,顺序阀
X-Ha6D-P-1,X-Hg6D-P-1,X-Fa6D-P-1,X-Fg6D-P-1,叠加式顺序阀
2X-Ha6D-AB/BA-1,2X-Hc6D-AB/BA-1,2X-Fa6D-AB/BA-1,2X-Fc6D-AB/BA-1,叠加式顺序阀
取消
发送询价
分享好友
了解产品首页
频道列表
我要评论