返回
电磁阀
首页
>
了解产品
>
气动器材 气动阀
>
控制元件
>
电磁阀
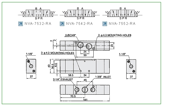
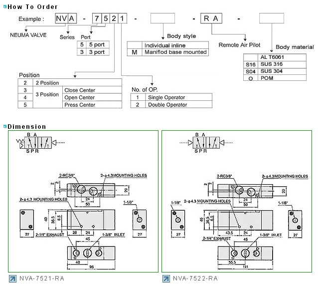
NVA-7521-RA,NVA-7522-RA,NVA-7532-RA,NVA-7542-RA,neuma气动阀
2015-03-28 15:53
729
信息概况
价格:
未填
型号:
NVA-7521-RA,NVA-7522-RA,NVA-7532-RA,NVA-7542-RA
发货:
3天内
发送询价
NVA-7521-RA,NVA-7522-RA,NVA-7532-RA,NVA-7542-RA,NVA-7552-RA,neuma气动阀
Technical Data
Model
NVA-7521-RA
NVA-7522-RA
NVA-7532-RA
NVA-7542-RA
NVA-7552-RA
Position
5/2 Way
5/3 Way
Port size
G 3/8”
Effective area
30mm2 (Cv=1.68)
18mm2 (Cv=1.0)
Nominal flow
1680 Nl/min
1000 Nl/min
Fluid
Compressed air
Pressure range
2~10 bar (29~144psi)
Operating temperature
5~60°C (41~140°F)
Weight
0.22 kg
0.24kg
0.38kg
联系方式
姓名:销售员 1444(先生)
电话:
13861877712
传真:0510-82328771
地区:江苏-无锡市
地址:
无锡市会北路28-135
QQ:
2355802919
0
人关注
0
人点赞
举报
评分:
分
扫一扫访问当前网页
复制链接
二维码
短信
邮件
关闭
同类了解产品
SY3120-4LZD-M5,SY3120-5LZD-M5,SY3120-4GZD-M5,SY3120-5GZD-M5,SY3220-4LZD-M5,SY3220-5LZD-M5,SY3220-4GZD-M5,SY3220-5GZD-M5,SY3320-4LZD-M5,SY3320-5LZD-M5,SY3320-4GZD-M5,SY3320-5GZD-M5,SY3420-4LZD-M5,SY3420-5LZD-M5,SY3420-4GZD-M5,SY3420-5GZD-M5电磁阀
SY5120-4LZD-01,SY5120-5LZD-01,SY5120-4GZD-01,SY5120-5GZD-01,SY5120-4DZD-01,SY5120-5DZD-01,SY5220-4LZD-01,SY5220-5LZD-01,SY5220-4GZD-01,SY5220-5GZD-01,SY5320-4LZD-01,SY5320-5LZD-01,SY5320-4GZD-01,SY5320-5GZD-01电磁阀
SY7120-4LZD-02,SY7120-5LZD-02,SY7120-4GZD-02,SY7120-5GZD-02,SY7120-4DZD-02,SY7120-5DZD-02,SY7220-4LZD-02,SY7220-5LZD-02,SY7220-4GZD-02,SY7220-5GZD-02,SY7320-4LZD-02,SY7320-5LZD-02,SY7320-4GZD-02,SY7320-5GZD-02,SY7420-4LZD-02,SY7420-5LZD-02电磁阀
SY9120-4LZD-03,SY9120-5LZD-03,SY9120-4GZD-03,SY9120-5GZD-03,SY9120-4DZD-03,SY9120-5DZD-03,SY9220-4LZD-03,SY9220-5LZD-03,SY9220-4GZD-03,SY9220-5GZD-03,SY9320-4LZD-03,SY9320-5LZD-03,SY9320-4GZD-03,SY9320-5GZD-03,SY9420-4LZD-03,SY9420-5LZD-03电磁阀
2W-10SL,2W-15SL,2W-20SL,2W-25SL,2W-32SL,2W-40SL,2W-50SL,PP-15-D11011,PP-20-D11011,PP-25-D11011,PP-15-W11011,PP-20-W11011,PP-25-W11011,PP-15-W09511,PP-20-W09511,PP-25-W09511,PP-15V-D11011,PP-20V-D11011,PP-25V-D11011,PP-15K-D16011,PP-20K-D16011电磁阀
0927000,0927100,0927200,0927300,0927400,0927500,0927600,0927700,0927000V,0927100V,09272000V,0927300V,0927400V,0927500V,0927600V,0927700V,927200S,0927300S,0927400S,0927500S,0927600S,0927700S,0955105,0955205,0955305,0955405,0955505,0955605,0955705电磁阀
取消
发送询价
分享好友
了解产品首页
频道列表
我要评论