1. 产品概述
CFZ系列吹风装置,是一种低噪声节能型产品,专用于大中型变压器的散热器冷却系统。它是依据中华人民共和国专业标准ZBK22002-88《变压器冷却风扇用三相异步电动机技术条件》、JB/T9642-1999《变压器风扇》与企业标准Q/CED03-2000《CFZ系列吹风装置》等标准设计制造的,具有噪声低,性能稳定,效率高,运行可靠,寿命长等特点,尤其是CFZ4 、CFZ5系列系列新产品,不仅上述指标高,而且还具有结构轻巧美观,高可靠性等特点,CFZ4、CFZ5系列吹风装置是目前国内较为先进的低噪声变压器散热冷却专用吹风装置。
吹风装置配套风扇选用的是DBF系列低噪声变压器风扇,电机采用“九五”国家级科技成果推广项目异步电动机多目标优化设计软件系统设计的专用电机,叶轮采用低噪声叶型,有铆接叶轮,动叶可调压铸铝叶轮和翼形一体叶轮,采用了多项防护和低噪声专利技术,采用进口低噪声轴承,防护分级IP55,适用于户外使用。
该系列产品规格品种齐全,覆盖φ350~φ1200风扇直径,流量3100m3/h~18500 m3/h,全压30Pa~230Pa,噪声50dB(A)~75 dB(A)各种规格产品,广泛适用于变压器散热器、冷却器的配套使用。
BFK系列变压器风扇是我公司根据用户的需求开发设计的系列变压器风扇。该系列变压器风扇电机采用低噪声电机;导风筒采用网筐式结构,从而使该系列产品具有重量轻、噪声低的特点。
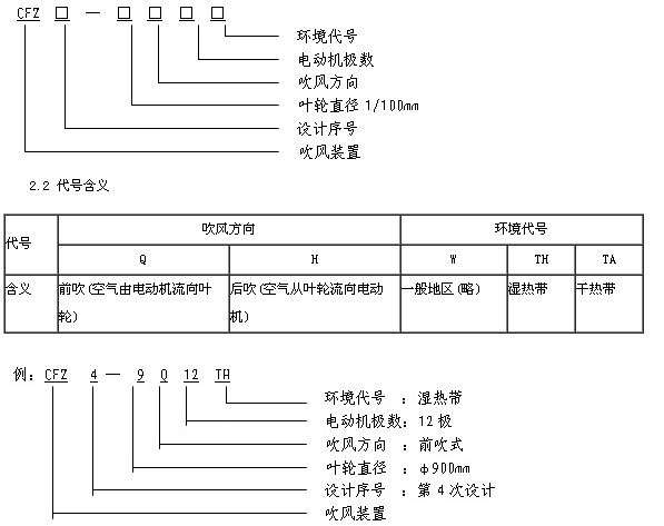
2. 型号说明
2.1 型号含义

3. 环境条件
3.1 周围空气温度:-40℃~75℃。
3.2 空气相对湿度:最湿*平均最大相对湿度为95%,同时该*平均最低温度为25℃。
3.3 海拔不超过1000m(超过1000m时电机温升应按标准进行修正)。
3.4 太阳辐射最大强度:0.98Kw/m2。
3.5 最大降雨强度:50mm/10min.
3.6 砂尘、冰、雪、霜、露:有。
3.7 电机采用B级绝缘,当海拔不超过1000m,周围空气温度不超过75℃,其定子绕组的温度限值(电阻法)不超过45K,轴承允许温度(温度计法)不超过95℃。
3.8 采用低噪声轴承,在正常的使用条件下,能承受额定负载连续运行,其使用寿命为10年,并能保证在第一次大修前安全运行时间不少于5年。
4. 产品型号与技术参数(见附表一)
5. 安装 使用 维护说明
5.1外形及安装尺寸(见附表二与附图)
5.2 安装
5.2.1 安装前外观检查:紧固件是否松动,叶片是否变形,拨动是否旋转顺畅,检查出线端标志字母U、V、W相序与电源相序是否对应。若发现异常应进行校正处理。
5.2.2 用500V兆欧表检测定子绕组对机壳热态绝缘电阻,其电阻值不低于1MΩ。因绝缘受潮引起电阻低,应进行干燥处理。
5.2.3 按规定电源对电机进行空转运行试验(不装叶轮)应起动灵活,运行平稳轻快、声音和谐,当三相电源平衡时,电动机的三相空载电流中,任何一相与三相平均值的偏差应不大于三相平均值的10%。
5.2.4 整机接通电源试运行,检查旋转方向及运行情况,试验正常后,即可投入运行。
5.3 维护
5.3.1该产品适用于三相交流电源,在铭牌规定的额定电压、频率下(指电源符合GB755-87标准规定时)风扇应能正常运行。
5.3.2 初次投入运行的变压器风扇,一周内应加强巡视检查,发现异常现象,如剧烈振动、声音异常、电流过大、轴承过热等应及时停机检查,待排除故障后方可投入运行。
5.3.3 停机时间较长,需要重新投入运行时,应确保气流通道和风筒内无异物,然后拨动叶轮进行检查,待供电线路等一切正常后即可投入运行。
5.3.4 停放时间较长或电机受潮严重,绝缘电阻偏低时,应干燥处理后,方可投入运行。
5.3.5 拆机检修时,应首先清理润滑脂等残留物,连同轴承均应彻底清洗干净,检查各部位。发现故障应及时处理(参考常见故障及处理方法表)。若绕组重绕后,应进行耐电压试验,新绕组应能承受交流电压2000V,时间为1min的耐电压试验而不发生击穿。对出厂产品,用户要求重复耐电压试验时,试验电压应为1600V,时间为1min。如无故障则重新组装,并要加注新润滑脂。
5.3.6 定期补充润滑脂:全密封轴承在5年内可不必更换润滑脂,非全密封轴承注油前应将油杯清理干净;该产品采用的是锂基润滑脂,不得随意更换其它润滑脂;用油枪向油杯中注入润滑油,添加量约为轴承空间的2/3左右,正常使用时2~3年加入一次即可。
常见故障及处理方法
|
序号
|
故障现象
|
可能产生原因
|
处理方法
|
|
1
|
温度过高
|
1进气通路堵塞或风筒内有异物造成超负荷过大;
2叶轮严重变形或损坏;
3电源电压或频率过低与规定不符;
4单相运行;
5定转子与其他转动件相摩擦。
|
1排除异物使进气畅通;
2更换叶轮;
3更换符合用户电压与频率等级的电机;
4排除熔断器和电机绕组故障;
5 重新调整安装。
|
|
2
|
电流过大
|
1轴承严重磨损;
2电机绕组单相运行;
3叶轮与风筒卡死;
4电压或频率不符。
|
1更换轴承;
2排除电路或绕组断路故障;
3调整叶轮与风筒间隙;
4检查电压或频率是否与电机相符。
|
|
3
|
噪声振动大
|
1叶轮严重损坏;
2底脚松动。
|
1更换叶轮;
2紧固松动部位。
|
|
4
|
绝缘电阻低
|
1存放进水,长期储存受潮。
|
1使用前进行干燥处理。
|
|
序号No.
|
型 号
TYPE
|
叶轮直径
mm
|
电压
v
|
频率
Hz
|
转速
r/min
|
风量
m3/h
|
全压
Pa
|
电流
A
|
功率
kW
|
噪声
dB(A)
|
重量
kg
|
备注
Remark
|
|
01
|
CFZ-3.5H2
|
350
|
380
|
50
|
3000
|
1800
|
400
|
1.78
|
0.50
|
26
|
||
|
02
|
CFZ-5Q4
|
500
|
380
|
50
|
1500
|
5600
|
144
|
1.10
|
0.37
|
70
|
30
|
|
|
03
|
CFZ-5H4
|
500
|
380
|
50
|
1500
|
5600
|
144
|
1.10
|
0.37
|
70
|
30
|
|
|
04
|
CFZ-5Q6
|
500
|
380
|
50
|
1000
|
6500
|
120
|
1.33
|
0.37
|
64
|
32
|
|
|
05
|
CFZ-5Q6
|
500
|
380
|
50
|
1000
|
6500
|
140
|
1.33
|
0.37
|
67
|
32
|
|
|
06
|
CFZ-5Q8
|
500
|
380
|
50
|
750
|
6240
|
100
|
1.06
|
0.25
|
58
|
32
|
|
|
07
|
CFZ-5Q10
|
500
|
380
|
50
|
600
|
5000
|
50
|
1.60
|
0.25
|
58
|
32
|
|
|
08
|
CFZ-5Q12
|
500
|
380
|
50
|
500
|
3365
|
50
|
1.36
|
0.10
|
45
|
32
|
|
|
09
|
CFZ-6.3Q6
|
630
|
380
|
50
|
1000
|
7500
|
176
|
2.00
|
0.75
|
72
|
76
|
|
|
10
|
CFZ-6.3Q8
|
630
|
380
|
50
|
750
|
7800
|
118
|
2.40
|
0.75
|
65
|
70
|
|
|
11
|
CFZ-6.3H8
|
630
|
380
|
50
|
750
|
7800
|
118
|
2.40
|
0.75
|
65
|
70
|
|
|
12
|
CFZ-6.3Q10
|
630
|
380
|
50
|
600
|
8000
|
65
|
2.10
|
0.55
|
58
|
70
|
|
|
13
|
CFZ-7Q6
|
700
|
380
|
50
|
1000
|
13500
|
98
|
2.30
|
0.75
|
79
|
56
|
|
|
14
|
CFZ-7Q8
|
700
|
380
|
50
|
750
|
13500
|
85/95
|
1.76
|
0.55
|
65
|
56
|
|
|
15
|
CFZ-7Q10
|
700
|
380
|
50
|
600
|
9000
|
45
|
2.10
|
0.55
|
60
|
56
|
|
|
16
|
CFZ-8Q6
|
800
|
380
|
50
|
1000
|
16000
|
216
|
3.80
|
1.50
|
75
|
98
|
|
|
17
|
CFZ-8H6
|
800
|
380
|
50
|
1000
|
16000
|
216
|
3.80
|
1.50
|
75
|
98
|
|
|
18
|
CFZ-8Q8
|
800
|
380
|
50
|
750
|
13500
|
95
|
2.40
|
0.75
|
67
|
80
|
|
|
19
|
CFZ-8H8
|
800
|
380
|
50
|
750
|
13500
|
95
|
2.40
|
0.75
|
67
|
80
|
|
|
20
|
CFZ-8Q10
|
800
|
380
|
50
|
600
|
12300
|
60
|
2.10
|
0.55
|
60
|
80
|
|
|
21
|
CFZ-9Q6
|
900
|
380
|
50
|
1000
|
16000
|
216
|
4.00
|
1.50
|
75
|
76
|
|
|
22
|
CFZ-9Q8
|
900
|
380
|
50
|
750
|
16000
|
150
|
3.60
|
1.10
|
68
|
76
|
|
|
23
|
CFZ-9Q10
|
900
|
380
|
50
|
600
|
13000
|
85
|
2.10
|
0.55
|
65
|
76
|
|
|
24
|
CFZ5-6Q8
|
600
|
380
|
50
|
750
|
7800
|
118
|
1.76
|
0.55
|
64
|
50
|
|
|
25
|
CFZ4-7Q12
|
700
|
380
|
50
|
500
|
11000
|
90/70
|
2.10
|
0.55
|
58
|
55
|
|
|
26
|
CFZ4-7Q12
|
700
|
380
|
50
|
500
|
11500
|
65
|
2.10
|
0.55
|
58
|
55
|
|
|
CFZ-7Q12
|
700
|
380
|
50
|
500
|
11000
|
60
|
2.10
|
0.55
|
58
|
55
|
||
|
27
|
CFZ4-8Q12
|
800
|
380
|
50
|
500
|
11000
|
50
|
2.10
|
0.55
|
60
|
60
|
|
|
28
|
CFZ4-9Q6
|
900
|
380
|
50
|
1000
|
17000
|
210
|
4.00
|
1.50
|
75
|
76
|
GEA
|
|
29
|
CFZ-9Q8
|
900
|
380
|
50
|
750
|
16000
|
150
|
3.60
|
1.10
|
68
|
52
|
|
|
30
|
CFZ4-9Q8
|
900
|
380
|
50
|
750
|
16000
|
150
|
3.60
|
1.10
|
68
|
60
|
|
|
31
|
CFZ-9Q10
|
900
|
380
|
50
|
600
|
16000
|
130
|
3.50
|
1.10
|
65
|
保定
|
|
|
32
|
CFZ4-9Q10
|
900
|
380
|
50
|
600
|
12400
|
89
|
2.10
|
0.55
|
65
|
76
|
GEA
|
|
33
|
CFZ4-9Q12
|
900
|
380
|
50
|
500
|
13500
|
65
|
2.10
|
0.55
|
61
|
60
|
|
|
CFZ4-9Q12
|
900
|
380
|
50
|
500
|
18500
|
60/65
|
2.10
|
0.55
|
63
|
60
|
||
|
CFZ4-9Q12
|
900
|
380
|
50
|
500
|
16000
|
75
|
2.10
|
0.55
|
63
|
60
|
||
|
34
|
CFZ4-12Q24
|
1200
|
380
|
50
|
250
|
13320
|
67
|
2.70
|
0.25
|
50
|
130
|
|
|
35
|
BFK-5Q6
|
500
|
380
|
50
|
1000
|
6500
|
120
|
1.33
|
0.37
|
64
|
||
|
36
|
CFZ5-5Q6
|
500
|
380
|
50
|
1000
|
6500
|
120
|
1.33
|
0.37
|
64
|
18
|
|
|
37
|
CFZ5-5Q8
|
500
|
380
|
50
|
750
|
6240
|
100
|
1.06
|
0.25
|
58
|
18
|
|
|
38
|
CFZ5-5Q10
|
500
|
380
|
50
|
600
|
4100
|
30
|
1.41
|
0.18
|
50
|
18
|
|
|
39
|
CFZ5-5Q10
|
500
|
380
|
50
|
600
|
5000
|
50
|
1.41
|
0.18
|
55
|
18
|
|
|
40
|
CFZ4-6.5Q8
|
650
|
460
|
60
|
900
|
8000
|
--
|
0.5
|
0.125
|
65
|
60
|
|
|
41
|
CFZ5-7Q8
|
700
|
380
|
50
|
750
|
13500
|
85
|
1.76
|
0.55
|
65
|
||
|
42
|
CFZ5-7Q10
|
700
|
380
|
50
|
600
|
9000
|
45
|
2.10
|
0.55
|
60
|
||
|
43
|
CFZ5-8Q6
|
800
|
380
|
50
|
1000
|
16000
|
216
|
3.80
|
1.50
|
74
|
||
|
44
|
CFZ5-8Q8
|
800
|
380
|
50
|
750
|
14000
|
144
|
2.40
|
0.75
|
66
|
||
|
45
|
CFZ5-8Q10
|
800
|
380
|
50
|
600
|
12300
|
60
|
2.10
|
0.55
|
60
|
||
|
46
|
CFZ5-9Q6
|
900
|
380
|
50
|
1000
|
16000
|
216
|
4.00
|
1.50
|
74
|
||
|
47
|
CFZ5-9Q8
|
900
|
380
|
50
|
750
|
16000
|
150
|
3.60
|
1.10
|
68
|
||
|
48
|
CFZ5-9Q10
|
900
|
380
|
50
|
600
|
13000
|
120
|
2.53
|
0.75
|
64
|
||
|
CFZ5-9Q10
|
900
|
380
|
50
|
600
|
16000
|
100
|
2.53
|
0.75
|
62
|
|||
|
CFZ5-9Q10
|
900
|
380
|
50
|
600
|
14760
|
120
|
2.53
|
0.75
|
64
|
|
序号
|
型 号
|
D
|
D1
|
D2
|
D3
|
K
|
L1
|
L
|
H
|
备 注
|
|
01
|
CFZ-3.5H2
|
φ350
|
φ360
|
φ400
|
φ425
|
8-φ12
|
280
|
335
|
140
|
图6
|
|
序号
|
型 号
|
D
|
D1
|
D2
|
D3
|
K
|
L1
|
L
|
备 注
|
|
02
|
CFZ-5Q4
|
φ500
|
φ514
|
φ565
|
φ600
|
4-φ14.5
|
370
|
370
|
图1
|
|
03
|
CFZ-5H4
|
φ500
|
φ514
|
φ565
|
φ600
|
4-φ14.5
|
370
|
370
|
图1
|
|
04
|
CFZ-5Q6
|
φ500
|
φ514
|
φ565
|
φ600
|
4-φ14.5
|
400
|
400
|
图1
|
|
05
|
CFZ-5Q6
|
φ500
|
φ514
|
φ565
|
φ600
|
4-φ14.5
|
400
|
400
|
图1
|
|
06
|
CFZ-5Q8
|
φ500
|
φ514
|
φ565
|
φ600
|
4-φ14.5
|
350
|
390
|
图1
|
|
CFZ-5Q8
|
φ500
|
φ514
|
φ550
|
φ584
|
4-φ14.5
|
350
|
390
|
图1
|
|
|
07
|
CFZ-5Q10
|
φ500
|
φ514
|
φ550
|
φ584
|
4-φ14.5
|
380
|
450
|
图1
|
|
08
|
CFZ-5Q12
|
φ500
|
φ514
|
φ550
|
φ584
|
4-φ14.5
|
310
|
365
|
图1
|
|
09
|
CFZ-6.3Q6
|
φ630
|
φ647
|
φ710
|
φ750
|
3-φ14.5
|
330
|
510
|
图1
|
|
10
|
CFZ-6.3Q8
|
φ630
|
φ647
|
φ710
|
φ750
|
3-φ14.5
|
330
|
510
|
图1
|
|
11
|
CFZ-6.3H8
|
φ630
|
φ647
|
φ710
|
φ750
|
3-φ14.5
|
330
|
510
|
图1
|
|
12
|
CFZ-6.3Q10
|
φ630
|
φ647
|
φ710
|
φ750
|
3-φ14.5
|
330
|
510
|
图1
|
|
13
|
CFZ-7Q6
|
φ700
|
φ717
|
φ750
|
φ770
|
4-φ14.5
|
330
|
550
|
图1
|
|
14
|
CFZ-7Q8
|
φ700
|
φ717
|
φ750
|
φ770
|
4-φ14.5
|
330
|
550
|
图1
|
|
15
|
CFZ-7Q10
|
φ700
|
φ717
|
φ750
|
φ770
|
4-φ14.5
|
330
|
550
|
图1
|
|
16
|
CFZ-8Q6
|
φ800
|
φ819
|
φ880
|
φ920
|
4-φ19
|
360
|
515
|
图1
|
|
17
|
CFZ-8H6
|
φ800
|
φ819
|
φ880
|
φ920
|
4-φ19
|
360
|
515
|
图1
|
|
18
|
CFZ-8Q8
|
φ800
|
φ819
|
φ880
|
φ920
|
4-φ19
|
360
|
515
|
图1
|
|
19
|
CFZ-8H8
|
φ800
|
φ819
|
φ880
|
φ920
|
4-φ19
|
360
|
515
|
图1
|
|
20
|
CFZ-8Q10
|
φ800
|
φ819
|
φ880
|
φ920
|
4-φ19
|
360
|
515
|
图1
|
|
21
|
CFZ-9Q6
|
φ900
|
φ919
|
φ955
|
φ975
|
4-φ14.5
|
360
|
515
|
图1
|
|
22
|
CFZ-9Q8
|
φ900
|
φ919
|
-
|
φ975
|
8-φ14.5
|
360
|
515
|
图1
|
|
CFZ-9Q8
|
φ900
|
φ919
|
φ980
|
φ1040
|
8-φ14.5
|
360
|
515
|
图2
|
|
|
23
|
CFZ-9Q10
|
φ900
|
φ900
|
φ955
|
φ975
|
4-φ14.5
|
360
|
515
|
图1(前网)
|
|
24
|
CFZ5-6Q8
|
φ600
|
φ610
|
φ644
|
φ692
|
8-φ10.5
|
470
|
510
|
图1
|
|
序号
|
型号
|
D
|
D1
|
D2
|
P
|
N
|
n-k
|
L1
|
L
|
备 注
|
|
25
|
CFZ4-7Q12
|
φ700
|
φ870
|
φ826
|
700
|
438
|
6-φ15
|
316
|
388
|
图3外支护
|
|
26
|
CFZ4-7Q12
|
φ700
|
φ870
|
φ826
|
624
|
500
|
4-φ15
|
316
|
388
|
图3外支护
|
|
CFZ-7Q12
|
φ700
|
φ870
|
φ826
|
633
|
531
|
4-φ15
|
316
|
388
|
图3外支护
|
|
|
27
|
CFZ4-8Q12
|
φ800
|
φ930
|
φ840
|
714
|
540
|
6-φ15
|
307
|
530
|
图3外支护
|
|
28
|
CFZ4-9Q6
|
φ900
|
φ1000
|
φ959
|
-
|
-
|
16-φ15
|
400
|
510
|
图3内支护
|
|
29
|
CFZ-9Q8
|
φ900
|
φ1025
|
φ1000
|
810
|
585
|
4-φ15
|
302
|
450
|
图3外支护保变
|
|
30
|
CFZ4-9Q8
|
φ900
|
φ1000
|
φ959
|
-
|
-
|
16-φ15
|
400
|
450
|
图3内支护
|
|
φ900
|
φ1025
|
φ1000
|
800
|
600
|
6-φ15
|
302
|
388
|
图3外支护贵变
|
||
|
31
|
CFZ-9Q10
|
φ900
|
φ1060
|
φ999
|
810
|
585
|
4-φ14.5
|
510
|
550
|
图3(保定)
|
|
32
|
CFZ4-9Q10
|
φ900
|
φ1000
|
φ959
|
-
|
-
|
16-φ15
|
400
|
510
|
图3内支护GEA
|
|
33
|
CFZ4-9Q12
|
φ900
|
φ1025
|
φ1000
|
800
|
600
|
6 -φ15
|
302
|
388
|
图3外支护
|
|
CFZ4-9Q12B
|
φ900
|
φ1000
|
φ959
|
-
|
-
|
16-φ15
|
400
|
415
|
图3内支护
|
|
|
CFZ4-9Q12C
|
φ900
|
φ1025
|
φ1000
|
810
|
585
|
4-φ15
|
302
|
388
|
图3前后网
|
|
|
34
|
CFZ4-12Q24
|
φ1230
|
φ1340
|
φ1290
|
1006
|
806
|
4-φ19
|
333
|
378
|
图3外支护
|
|
35
|
BFK-5Q6
|
φ500
|
φ622
|
φ594
|
420
|
420
|
4-φ13
|
230
|
330
|
图5
|
|
36
|
CFZ5-5Q6
|
φ500
|
φ600
|
φ565
|
-
|
-
|
4-φ14.5
|
195
|
380
|
图4
|
|
37
|
CFZ5-5Q8
|
φ500
|
φ600
|
φ565
|
-
|
-
|
4-φ14.5
|
195
|
380
|
图4
|
|
38
|
CFZ5-5Q10
|
φ500
|
φ600
|
φ565
|
-
|
-
|
4-φ14.5
|
195
|
380
|
图4
|
|
39
|
CFZ5-5Q10
|
φ500
|
φ600
|
φ565
|
-
|
-
|
4-φ14.5
|
195
|
380
|
图4
|
|
40
|
CFZ4-6.5Q8
|
φ650
|
φ716
|
φ690
|
-
|
-
|
4-φ14.5
|
180
|
350
|
图4
|
|
序号
|
型 号
|
D
|
D1
|
D2
|
P
|
N
|
n-k
|
L1
|
L
|
备 注
|
|
41
|
CFZ5-7Q8
|
φ770
|
φ780
|
φ750
|
-
|
-
|
4-φ15
|
330
|
550
|
图7
|
|
42
|
CFZ5-7Q10
|
φ770
|
φ780
|
φ750
|
-
|
-
|
4-φ15
|
330
|
550
|
图7
|
|
43
|
CFZ5-8Q6
|
φ800
|
φ920
|
φ880
|
-
|
-
|
4-φ15
|
345
|
580
|
图7
|
|
44
|
CFZ5-8Q8
|
φ800
|
φ920
|
φ880
|
-
|
-
|
4-φ15
|
345
|
580
|
图7
|
|
45
|
CFZ5-8Q10
|
φ800
|
φ920
|
φ880
|
-
|
-
|
4-φ15
|
345
|
580
|
图7
|
|
46
|
CFZ5-9Q6
|
φ900
|
φ1000
|
φ959
|
-
|
-
|
16-φ15
|
365
|
600
|
图7
|
|
47
|
CFZ5-9Q8
|
φ900
|
φ1000
|
φ959
|
-
|
-
|
16-φ15
|
365
|
600
|
图7
|
|
48
|
CFZ5-9Q10
|
φ900
|
φ1000
|
φ959
|
-
|
-
|
16-φ15
|
365
|
600
|
图7
|



