产品描述: 1. 产品概述 SZB型变压器油泵,是我公司按专利号ZL932 13774.8独家生产最新结构型式的变压器油泵。此油泵根据变压器负载的变化,散热器可进行强油风冷、风冷、自然循环等型式。 本产品采用电机、泵合一,外壳采用全密封的结构型式,泵方面采用轴流式泵,叶轮可在输出轴上上下滑动,在工作状态下叶轮自动上升,进入工作状态,不工作时,叶轮受重力作用,返回到下面呈静止状态,电机采用Y系列派生产品,电机全部在变压器油中运行,整机采用钢板焊接形式,出线盒中的接线板采用高铝瓷与钢板焊接,用“O”型圈密封,电机热量靠内部变压器油的循环降温。 2. 型号说明
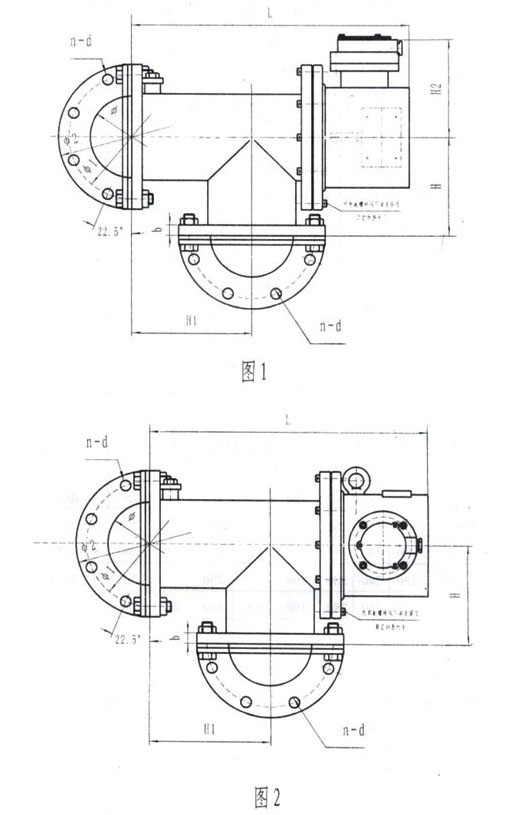
3.技术性能参数(见附图一) 4. 安装 使用 维护说明 4.1安装尺寸与外形(见附表二与附图一) 4.2使用 4.2. 1机械检查:将出入油口法兰盘的盖板拆下,用手拧轴,是否转动,将叶轮提起,松开后看叶轮是否滑下,至此机械检查完成。 4.2.2 电气检查:用500V兆欧表测量绕组对地绝缘电阻,大于1MΩ;检查接线端子,有无破损现象,如一切正常可通电试验,时间不超过5min,在通电前最好滴入少量变压器油,保证前后轴承的润滑作用。 4.2.3 以上检查无误即可安装到管路中,打开放气塞,排出气体后,按接线柱U、V、W标示顺序接黄、绿、红三相电源,即是叶轮的正确运转方向。 4.3 维护 ——运行中发现下列情况之一者,应立即停机检查,排除故障后方能投入运行: 4.3.1 发现声音异常或噪声大时; 4.3.2 电源电压与额定值的偏差> ± 5% 时; 4.3.3 额定电流增大温升过高时; 4.3.4 电机绝缘电阻过低时。 5. 运输储存 5.1 在搬运过程中,要注意轻拿轻放,按照馐箱的标志搬运和放置,切勿倒置。 5.2 在运输过程中应避免冲击性剧烈振动,以防止破损。 5.3 储存地点保持通风、干燥、清洁,无腐蚀性气体,在储运过程中,应采取防淋雨措施。 5.4 若非立即投入运行,不宜立即开箱,若包装箱已破损,应开箱检查并妥善处理。 6. 订货说明 6.1订货时请详细说明产品型号、技术参数及安装结构型式等。 6.2订购配件时请说明整机型号与配件名称及规格。 6.3本说明书仅供用户参考,若数据有变动,以供需双方协议为准,恕不更正。 6.4如有特殊要求,经双方协议后,可供应特殊规格型号产品。 附表一:SZB-150变压器油泵产品型号与技术参数
附表二:SZB-150变压器油泵安装尺寸