产品描述: SZB-250B型变压器油泵,是我公司独家生产最新结构型式的带流量指示器的变压器油泵,已申请国家专利,(专利号ZL00206414.6),广泛地适用于变压器散热器上,是大中型及特大型变压器、电抗器冷却系统专用变压器油泵,是一种具有高效、节能、低噪音、高可靠性、寿命长的创新产品。 本产品采用泵、电机、流量指示器组合为一体的结构型式。可替代原变压器油泵和流量指示器两种产品,外壳采用全密封的结构,泵方面采用轴流叶轮固定式泵。电机采用Y系列派生的专用电机,电机全部浸在变压器油中运行。整机采用钢板焊接型式,用“O”型圈密封,电机热量靠内部变压器油循环降温。变压器油泵出口处直接安装--新型流量指示器。 附表一:SZB-250变压器油泵产品型号与技术参数
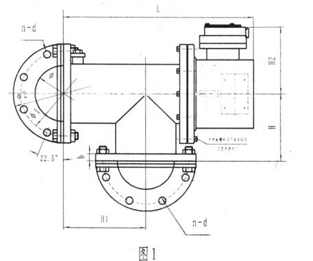
附表二:SZB-250变压器油泵安装尺寸