返回
支撑阀
首页
>
了解产品
>
液压元件 液压阀
>
流量控制阀
>
支撑阀
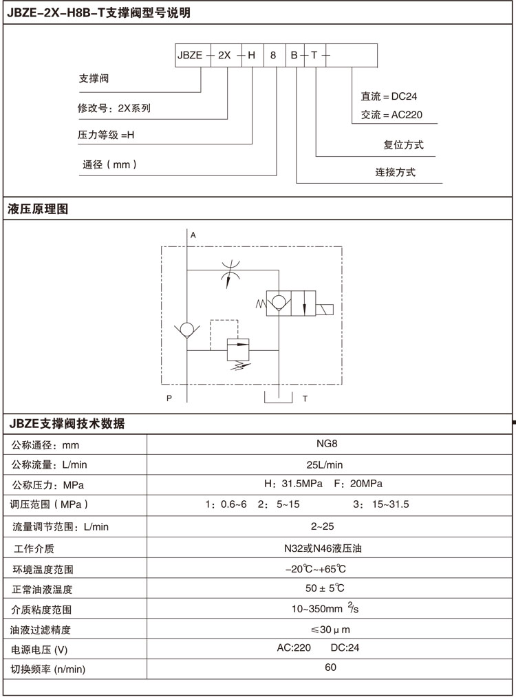
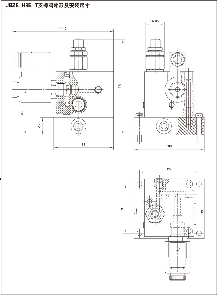
JBZE-2X-H8B-T,支撑阀
2015-03-05 18:37
1106
信息概况
价格:
未填
型号:
JBZE-2X-H8B-T,
发货:
3天内
发送询价
JBZE-2X-H8B-T,支撑阀
联系方式
姓名:销售员1167(女士)
电话:
13861877712
传真:0510-82328771
地区:江苏-无锡市
地址:
无锡市会北路28-135
邮编:214002
QQ:
2355802919
0
人关注
0
人点赞
举报
评分:
分
扫一扫访问当前网页
复制链接
二维码
短信
邮件
关闭
同类了解产品
ZCFA-F8B,ZCF-F10B,ZCF-F8B,JBZE-H8B-T,JBZD-H8B-T,ZJE-E8B-T电磁支撑阀
ZCF-F8B,ZCFA-F8B,ZCF-H8B,ZCFA-H8B,ZCF-F10B,ZCFA-F10B,ZCF-H10B,ZCFA-H10B,电磁支撑阀
JBZE-H8B-T,支撑阀
30F-B10H,30F-L10H,支撑阀
ZCF-F8B,电磁支撑阀,
取消
发送询价
分享好友
了解产品首页
频道列表
我要评论