返回
变量叶片泵
首页
>
了解产品
>
油泵 齿轮泵 组合泵
>
叶片泵及泵组
>
变量叶片泵
VDR-1A,VDR-1B,VDR-11A,VDR-11B,VDR-1A-1A5-22,VDR-11A-2A2-2A2-22,NACHI变量叶片泵
2015-03-02 20:19
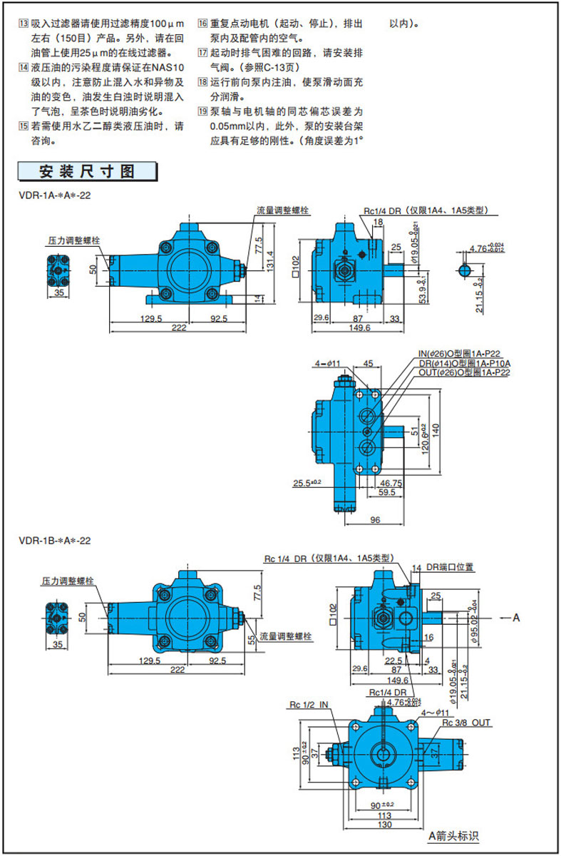
877
信息概况
价格:
未填
型号:
VDR-1A,VDR-1B,VDR-11A,VDR-11B,VDR-1A-1A5-22,VDR-11A-2A2-2A2-22,
发货:
3天内
发送询价
VDR-1A,VDR-1B,VDR-11A,VDR-11B,VDR-1A-1A5-22,VDR-11A-2A2-2A2-22,NACHI变量叶片泵
VDR-1A-1A2-22,VDR-1A-1A3-22,VDR-1A-1A4-22,VDR-1B-1A2-22,VDR-1B-1A3-22,VDR-1B-1A4-22,
VDR-1B-1A5-22,VDR-1A-2A2-22,VDR-1A-2A3-22,VDR-1B-2A2-22,VDR-1B-2A3-22,VDR-11A-1A2-1A2-22,
VDR-11A-1A2-1A3-22,NACHI VDR-11A-1A3-1A3-22,VDR-11A-2A2-2A3-22,VDR-11A-2A3-2A3-22,VDR-11B-1A2-1A2-22,
VDR-11B-1A2-1A3-22,VDR-11B-1A3-1A3-22,VDR-11B-2A2-2A2-22,CCLAIR VDR-11B-2A2-2A3-22,VDR-11B-2A3-2A3-22,
联系方式
姓名:销售员1317(先生)
电话:
0510-82328771
手机:
13861877712
传真:0510-82326771
地区:江苏-无锡市
地址:
无锡市兴源北路818号 A3001
邮件:
4006770998@b.qq.com
QQ:
2355802919
0
人关注
0
人点赞
举报
评分:
分
扫一扫访问当前网页
复制链接
二维码
短信
邮件
关闭
同类了解产品
HVPVC-F30-A2-02,HVPVC-F30-A3-02,HVPVC-F30-A4-02,HVPVC-F30-A5-02,HVPVC-F40-A2-02,HVPVC-F40-A3-02,HVPVC-F40-A4-02,HVPVC-F40-A5-02,Northman台湾北部精机,中压变量叶片泵
VPVC-F30-A1-02,VPVC-F30-A2-02,VPVC-F30-A3-02,VPVC-F40-A1-02,VPVC-F40-A2-02,VPVC-F40-A3-02,Northman台湾北部精机,变量叶片泵
Northman台湾北部精机,变量叶片泵VPVC-F12-A1-02,VPVC-F12-A2-02,VPVC-F12-A3-02,VPVC-F20-A1-02,VPVC-F20-A2-02,VPVC-F20-A3-02
PVR1-4B10-RM,PVR1-4B15-RM,PVR1-6B03-RM,PVR1-6B06-RM,PVR1-8B03-RM,PVR1-8B06-RM,CONTINENTAL叶片式变量泵
PVR6-4B20-RF,PVR6-6B06-RF,PVR6-8B06-RF,PVR6-10B10-RF,PVR6-6B15-RF,PVR6-8B15-RF,CONTINENTAL叶片式变量泵
PVR15-15B15-RF,PVR15-20B15-RF,PVR15-30B10-RF,PVR15-15B20-RF,PVR15-20B3L-RF,PVR15-15B3L-RF,CONTINENTA
取消
发送询价
分享好友
了解产品首页
频道列表
我要评论