返回
溢流阀
首页
>
了解产品
>
液压元件 液压阀
>
压力控制阀
>
溢流阀
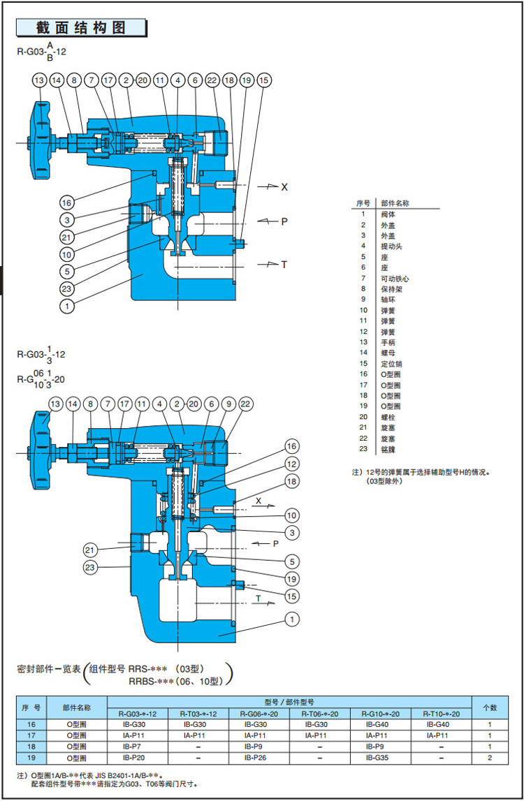
R-T03,R-T06,R-T10,R-G03,R-G06,R-G10,R-T03-A-12,R-T10-3-12,R-T06-3-12,R-G06-3-12,R-G10-3-12,NACHI溢流阀
2015-03-02 19:43
653
信息概况
价格:
未填
型号:
R-T03,R-T06,R-T10,R-G03,R-G06,R-G10,R-T03-A-12,R-T10-3-12,R-T06-3-12,R-G06-3-12,R-G10-3-12
发货:
3天内
发送询价
R-T03,R-T06,R-T10,R-G03,R-G06,R-G10,R-T03-A-12,
R-T10-3-12,
R-T06-3-12,
R-G06-3-12,
R-G10-3-12,
NACHI溢流阀
R-T03-B-12,R-T03-1-12,R-T03-3-12,R-T06-1-12,R-T10-1-12,R-G03-A-12,R-G03-B-12,R-G03-1-12,R-G03-3-12,R-G06-1-12,R-G10-1-12,
联系方式
姓名:销售员1317(先生)
电话:
0510-82328771
手机:
13861877712
传真:0510-82326771
地区:江苏-无锡市
地址:
无锡市兴源北路818号 A3001
邮件:
4006770998@b.qq.com
QQ:
2355802919
0
人关注
0
人点赞
举报
评分:
分
扫一扫访问当前网页
复制链接
二维码
短信
邮件
关闭
同类了解产品
RV-01T-*-10,RV-02T-*-10,RV-03T-*-10,RV-04T-*-10,RV-06T-*-10,RV-10T-*-10,RV-01G-*-10,RV-02G-*-10,RV-03G-*-10,RV-06G-*-10,RV-10G-*-10,SRV-03G-*-10 SRV-06G-*-10,SRV-10G-*-10,SRV-04T-*-10,SRV-06T-*-10,SRV-10T-*-10,BRV-03G-*-10,BRV-06G-*-10溢流阀
0812208,0814508,0812508,0814608,0814108,0814908,0814208,0814308,0814408,0812708,0814708,0812808,0814808压力控制器 D500/7DZ切换差不可调
¥
999.00
CDB-15,CDB-20,CDB分片式多路阀
叠加式溢流阀MBW-01-H-30,MBW-03-C-30,MBW-03-H-30,
叠加式溢流阀MBP-01-C-30,MBP-01-H-30,MBP-03-C-30,MBP-03-H-30,MBB-04-C-30,MBP-04-C-30,MBP-04-H-30,MBP-06-H-30,
叠加式溢流阀MBB-01-C-30,MBB-01-H-30,MBB-03-C-30,MBB-03-H-30,MBB-04-C-30,MBB-04-H-30,MBB-06-H-30,
取消
发送询价
分享好友
了解产品首页
频道列表
我要评论