返回
压力表
首页
>
了解产品
>
仪器仪表 自动化
>
压力与隔离及控制
>
压力表
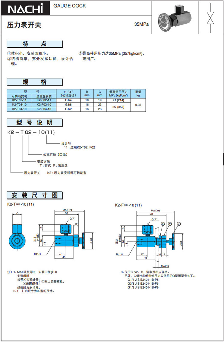
K2-T02-11,K2-T03-10,K2-T04-10,K2-F02-11,K2-F03-10,K2-F04-10,NACHI压力表开关
2015-03-02 19:08
691
信息概况
价格:
未填
型号:
K2-T02-11,K2-T03-10,K2-T04-10,K2-F02-11,K2-F03-10,K2-F04-10
发货:
3天内
发送询价
K2-T02-11,K2-T03-10,K2-T04-10,K2-F02-11,K2-F03-10,K2-F04-10,NACHI压力表开关
联系方式
姓名:销售员1317(先生)
电话:
0510-82328771
手机:
13861877712
传真:0510-82326771
地区:江苏-无锡市
地址:
无锡市兴源北路818号 A3001
邮件:
4006770998@b.qq.com
QQ:
2355802919
0
人关注
0
人点赞
举报
评分:
分
扫一扫访问当前网页
复制链接
二维码
短信
邮件
关闭
同类了解产品
GS1-50,GS1-50-NCU,内置开关式压力计
EG110,EG120,EG121,内置电子开关式压力计
GP1-40,GP3-40,面板安装压力计
G1-40,G3-40,G6-40,标准型压力计
G3P-40,G3P-40-S,GP3P-40,GP3P-40-S,小型精密压力计
G1-20A,G1-20D,G1-20DPL,小型压力计
取消
发送询价
分享好友
了解产品首页
频道列表
我要评论